кольцо выскальзывания локальных сетей 1000М отсутствие потери пакета для имитатора движения
Кольцо выскальзывания локальных сетей спекайлли конструировало для частоты 250Мхз передать
Сигналы локальных сетей 100М/1000М, с преимуществами надежный передавать, отсутствие пакета
потеря, отсутствие перекрестные помехи, сигнал малопотертых, комбайна различные и сила с соединителем РДЖ45 использовать.
Особенности
Сеть эфира ◆ Трансмит100М/1000М
◆ интегрирует различный сигнал и сила, исполняет с ЭМК
передавать ◆ надежный, отсутствие потери пакета, отсутствие перекрестных помех, малопотертых
Применения
Оборудование автоматизации ◆
Имитатор движения ◆
Оборудование батареи лития ◆
Опционный
Номер цепи ◆
Оценка ◆ настоящая
Ранг предохранения от ИП ◆
Тип сигнала ◆
Спецификация
| ЭКН025-15П2-02ЭГ. Спецификация | Изображение | |
| Настоящий | 15*10А, локальные сети 2гроуп 1000М | ![]() |
| Через размер скважины | Ø25.4мм | |
| Ранг защиты | ИП54 | |
| Работая скорость | 0~300рпм | |
| Материал контакта | Драгоценный металл | |
| Напряжение тока оценки | 380ВАК | |
| Сопротивление изоляции |
500МΩ@500ВДК (сила) 100МΩ@100ВДК (сигнал) |
|
| Диэлектрическая прочность |
≥ 1000V@50Hz (сила) ≥ 500V@50Hz (сигнал) |
|
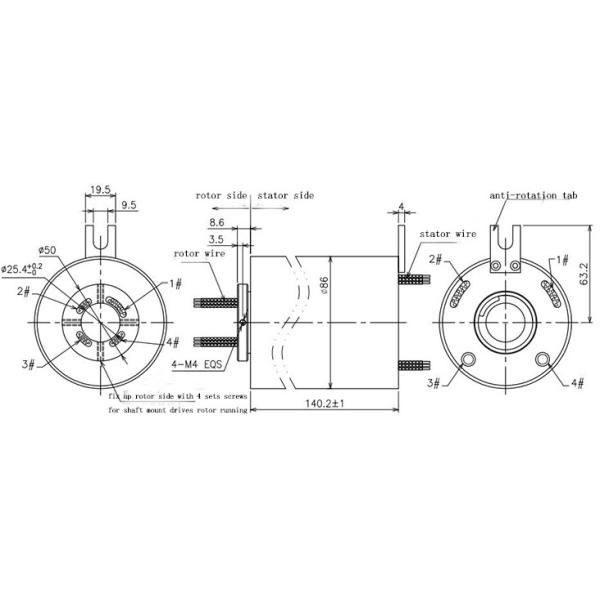
Чертеж плана

Почему с КЭНО
КЭНО одна технологически компания в поле кольца выскальзывания которое включает научные исследования и разработки, производство и продажи. Мы выдвигали аппаратуры оборудования и теста высокой точности для обеспечения качества продукции и надежного характеристики рабочого. Зона объекта покрывает 3000 квадратных метров и обнаруженная местонахождение в Шэньчжэне Китае.

Аттестация
ИСО9001, КЭ, РоХС, УЛ, взрывозащищенный

Преимущество КЭНО
Член в команде инженерства имеет больше многолетний опыт чем 10 в поле кольца выскальзывания. Операторы работают на критической процедуре всем квалифицированы внутренней тренировкой.
Обслуживание КЭНО обеспечивает
24 часа, обслуживание консультанта 7дайс.
Массовая и подгонянная продукция.
Решение офферринг для системы вращения 360°.
Добро пожаловать, который нужно посоветовать с нами с вашими запросами для любой системы вращения 360°. Мы снабдим одно обслуживание стопа вы своевременные отвечаем ваши дознания.