Передайте километра расстояния сотен кольцо выскальзывания волокна электрическое никакой EMI
Серия FCN семья соединений оптического волокна роторных изготовленных CENO, середины передать сигналы через вращать
интерфейсы, особенно передавая большое количество данных. Отсутствие контакта, отсутствие fricion, длинной жизни (одиночный тип ядра имеет вращения жизни 100billion). Соединитель волокна конструирован совершенно для передавать большую емкость данных и сигнала от неподвижного вращающим частям
Основные применения
◆Антенное устройство
◆Испытывая машина
◆Роторная таблица
◆Машина упаковки
Характеристики продукта
◆Переносит силу, так же, как сетноые-аналогов и цифровые сигналы
◆Совместимый с протоколами шины данных
◆Технология щетки волокна предусматривает длинную жизнь и безуходную деятельность
◆Компактная упаковка
Спецификация
| FCN0203-44S Спецификация | Изображение | |
| Тип волокна | SM/MM | ![]() |
| Канал волокна | 2-3 | |
| Тип соединителя | FC/PC/LC/ST | |
| Диапазон длины волны | 1270-1610nm для SM; 850 и 1310nm для MM | |
| Вносимая потеря | < 5dB=""> | |
| Скорость вращения, максимальная | 300rpm | |
| Температура деятельности | -20℃~+65℃ | |
| Оцененный жизненный цикл | 100-200 миллионов революции | |
| Ранг IP | IP65 | |
| Расквартировывать материал | Нержавеющая сталь | |
| Стиль пакета | Отрезки провода на обоих концах | |
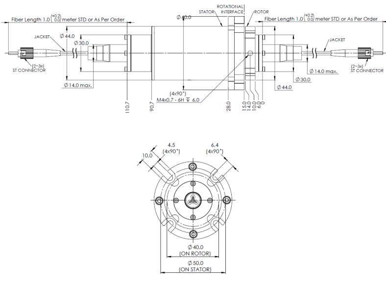
Чертеж плана

Почему с CENO
CENO одна технологически компания в поле кольца выскальзывания которое включает научные исследования и разработки, производство и продажи. Мы выдвигали аппаратуры оборудования и теста высокой точности для обеспечения качеств продукции и надежного характеристики рабочого. Зона объекта покрывает 3000 квадратных метров и обнаруженная местонахождение в Шэньчжэне Китае.

Аттестация
ISO9001, CE, RoHS, UL, взрывозащищенный

Преимущество CENO
Член в проектировать команду имеет больше многолетний опыт чем 10 в поле кольца выскальзывания. Операторы работают на критической процедуре всем квалифицированы внутренней тренировкой.

Обслуживание CENO обеспечивает
24 часа, обслуживание консультанта 7days.
Массовая и подгонянная продукция.
Решение offerring для системы вращения 360°.
Добро пожаловать, который нужно посоветовать с нами с вашими запросами для любой системы вращения 360°. Мы снабдим одно обслуживание стопа вы своевременные отвечаем ваши дознания.