4 одних волокна сигнала гигабита и соединения оптического волокна роторного
КЭНО изготовитель кольца выскальзывания оптического волокна высшего уровня и поставщик, мы всегда обеспечиваем наших клиентов
с надежным и высококачественным кольцом выскальзывания оптического волокна. Если вы ищете военный стандарт или качество
гарантированные продукты, пожалуйста чувствуют свободными связаться мы.
Кольцо выскальзывания волокна проводное специально соответствующее для некоторых применений которое требует для того чтобы держать непрерывным или прерывистый вращать и передать массовые данные от статической стороны стороне вращения, которая может улучшить механическое представление, упрощает работу энергетической системы и повреждения избежания к волокну вращая. Смогите быть совмещено с традиционным электрическим кольцом выскальзывания для того чтобы передать силу и высокоскоростные данные.
Добро пожаловать, который нужно навестить мы через WWW.360.com для больше информации.
Варианты
Особенности
Применения
Спецификация
| Параметр | ||||
| Цепь | 2*30А, 2*синьял, 4*Гбе, 1*фибер | Ранг защиты | ИП54 | |
| Напряжение тока оценки | 380ВАК | Работая температура | -20°К | + 60°К | |
| Изоляция сопротивления |
≥500 МΩ@500ВДК (сила) ≥100 МΩ@500ВДК (сигнал) |
Вращая скорость | 0~300рпм | |
| Диэлектрическая прочность |
≥ 1000V@50hz (сила) ≥ 500V@50hz (сигнал) |
Материал контакта | Драгоценный металл | |
| Электрический шум | мΩ ≤ 70 (50 рпм) | Материал снабжения жилищем | Чернота оксидации алюминиевого сплава | |
| Работая влажность | ≤60%РХ | Путь установки | Статор будет неподвижной осью оборудования винтом | |
| Данные по технологии роторного соединения волокна | ||||
| Тип волокна | СМ (9/125ум) | Номер канала | 1 | |
| Введите потерянное и изменение | <2дБ (<1дБ) | Сила | 23дБм | |
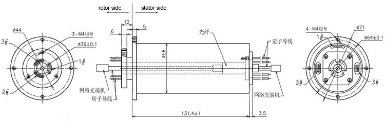
Чертеж плана

К: Вы предлагаете гибридный дизайн с электрической комбинацией канала и канала жидкости или воздуха?
Да, воздух КЭНО/жидкое роторное соединение и электрическое кольцо выскальзывания можно интегрировать совместно в одно полное решение. Решение может для жидкости, силы, сигнала, и передачи данных. Мы предлагаем и стандартные собрания и изготовленные на заказ решения для того чтобы соотвествовать ваши точные. Добро пожаловать, который нужно посоветовать с нами с вашими требованиями.
К: Как мы устанавливаем кольцо выскальзывания полого вала на нашем машинном оборудовании?
Путь установки полого вала
1) располагает кольцо выскальзывания в пожеланном положении и поровну затягивает оба сецкревс к валу на каждом конце соединения. Вращающий момент до 25 ЛБ ИН.
2) направляет проводку и налаживает необходимые связи. Не позвольте проводке ограничить свободное вращение кольца выскальзывания.
3) располагает не поставленные винт или шпонку () в анти--вращении Таб.
Путь установки фланца
1) выравнивает отверстия установки в фланце к устанавливать основание и устанавливает плоские шайбы и продевает нитку формировать НЕ ПОСТАВЛЕННЫЕ винты () для пластмассы. Безопасно затяните винты.
2) направляет проводку и налаживает необходимые связи. Не позвольте проводке ограничить свободное вращение кольца выскальзывания.
3) располагает не поставленные винт или шпонку () в анти--вращении Таб.
Преимущество КЭНО
Член в команде инженерства имеет больше многолетний опыт чем 10 в поле кольца выскальзывания. Операторы работают на критической процедуре всем квалифицированы внутренней тренировкой.
Почему выберите КЭНО
КЭНО одна технологически компания в поле кольца выскальзывания которое включает научные исследования и разработки, производство и продажи. Мы выдвигали аппаратуры оборудования и теста высокой точности для обеспечения качества продукции и надежного характеристики рабочого. Зона объекта покрывает 3000 квадратных метров и обнаруженная местонахождение в Китае.
Почетность
ИСО9001, КЭ, РоХС, УЛ, взрывозащищенный
Обслуживание КЭНО обеспечивает
Решение офферринг для системы вращения 360°.
Массовая и подгонянная продукция.
24 часа, обслуживание консультанта 7дайс.
Советуйте с нами с вашими запросами для любой системы вращения 360°. Мы снабдим одно обслуживание стопа вы своевременные отвечаем ваши дознания.