Сигнал 2 гигабит кольца выскальзывания волокна проводного для системы передачи HD видео-
Кольцо выскальзывания волокна проводное специально соответствующее для некоторых применений которое требует для того чтобы держать непрерывный или прерывистый вращать и передавать массовые данные от статической стороны стороне вращения, которая может улучшить механическое представление, упростить работу энергетической системы и повреждения избежания к волокну вращая. Смогите быть совмещено с традиционным электрическим кольцом выскальзывания для того чтобы передать силу и высокоскоростные данные.
Добро пожаловать, который нужно навестить мы через WWW.360.com для больше информации.
Особенности
Применения
Варианты
Спецификация
| Параметр | |||||
| Цепь | 2*30A, 20*signal, 2*Gbe, 1*fiber | Ранг защиты | IP54 | ||
| Классифицируя напряжение тока | 380VAC | Работая температура | -20°C | + 60°C | ||
| Изоляция сопротивления | 500 MΩ@500VDC (сила) 100 MΩ@500VDC (сигнал) | Вращая скорость | 0~300rpm | ||
| Диэлектрическая прочность | ≥ 1000V@50hz (сила) ≥ 500V@50hz (сигнал) | Материал контакта | Драгоценный металл | ||
| Электрический шум | mΩ ≤ 70 (50 rpm) | Расквартировывать материал | Белизна оксидации алюминиевого сплава | ||
| Работая влажность | ≤60%RH | Путь установки | Статор будет неподвижной осью оборудования винтом | ||
| Данные по технологии волокна роторные совместные | |||||
| Тип волокна | SM (9/125um) | Канал | 1 | ||
| Введите потерянный и изменение | <2dB (<1dB) | Сила | 23dBm | ||
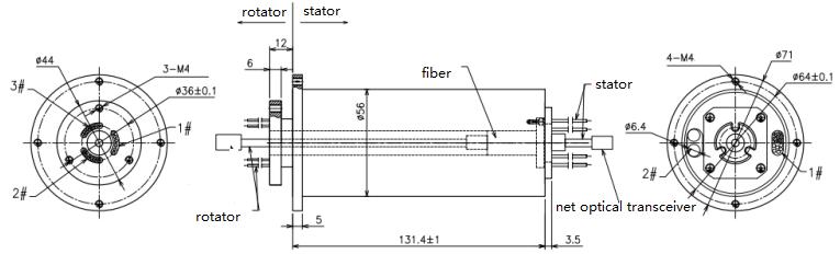
Чертеж плана

Q: Вы предлагаете гибридный дизайн с электрической комбинацией канала и канала жидкости или воздуха?
Да, воздух CENO/жидкое роторное соединение и электрическое кольцо выскальзывания можно интегрировать совместно в одно полное решение. Решение может для жидкости, силы, сигнала, и передачи данных. Мы предлагаем и стандартные собрания и изготовленные на заказ решения для того чтобы соотвествовать ваши точные. Добро пожаловать, который нужно посоветовать с нами с вашими требованиями.
Q: Как мы устанавливаем кольцо выскальзывания полого вала на нашем машинном оборудовании?
Путь установки полого вала
1) положение кольцо выскальзывания в пожеланном положении и поровну затягивает оба setscrews к валу на каждом конце соединения. Вращающий момент до 25 LB IN.
2) маршрут проводка и наладить необходимые связи. Не позвольте проводке ограничить свободное вращение кольца выскальзывания.
3) положение не поставленные винт или шпонка () в анти--вращении Tab.
Путь установки фланца
1) выравнивает устанавливая отверстия в фланце к устанавливать основание и установить плоские шайбы и поток формируя НЕ ПОСТАВЛЕННЫЕ винты () для пластмассы. Безопасно затяните винты.
2) маршрут проводка и наладить необходимые связи. Не позвольте проводке ограничить свободное вращение кольца выскальзывания.
3) положение не поставленные винт или шпонка () в анти--вращении Tab.
Преимущество CENO
Член в проектировать команду имеет больше многолетний опыт чем 10 в поле кольца выскальзывания. Операторы работают на критической процедуре всем квалифицированы внутренней тренировкой.
Почему выберите CENO
CENO одна технологически компания в поле кольца выскальзывания которое включает научные исследования и разработки, производство и продажи. Мы выдвигали аппаратуры оборудования и теста высокой точности для обеспечения качеств продукции и надежного характеристики рабочого. Зона объекта покрывает 3000 квадратных метров и обнаруженная местонахождение в Китае.
Почетность
ISO9001, CE, RoHS, UL, взрывозащищенный
Обслуживание CENO обеспечивает
Решение offerring для системы вращения 360°.
Массовая и подгонянная продукция.
24 часа, обслуживание консультанта 7days.
Советуйте с нами с вашими запросами для любой системы вращения 360°. Мы снабдим одно обслуживание стопа вы своевременные отвечаем ваши дознания.