Соединение радиочастоты канала типа 2 диапазона изменения частот 5GHz i коаксиальное роторное
Соединение RCN0205A CENO двухтрактное роторное с диапазоном изменения частот 5GHz на каждом канале.
Эта модель широко быть приложенным в применении антенного устройства.
Серия CENO RCN вызвана соединением RF роторным. значит группу в составе коаксиальные роторные соединения.
этот блок использован в приборах которые вращают непрерывно и передают частоту коротковолнового диапазона
(до 50GHz) и высокоскоростной цифровой сигнал от неподвижной детали к вращающей части.
Ряд номера канала CENO RF роторный совместный от канала 2-5. Различный соединитель
тип для выбора клиента.
Типичные применения
◆Система контроля над трафиком
◆Антенное устройство
◆Испытывая машина
◆Морской ворот
Спецификация
| Спецификация RCN0205A | Изображение | ||
| Канал 1 | Канал 2 | ![]() | |
| Интерфейс | Женщина SMA (50hms) | Женщина SMA (50hms) | |
| Стиль | Я тип | Я тип | |
| Диапазон изменения частот | DC до 5 GHz | DC до 5 GHz | |
| Вносимая потеря, максимальная | 0.25dB | 0.45dB | |
| Вносимая потеря, ВАУ, максимальная | 0.05dB | 0.15dB | |
| Вращая скорость, максимальная | 60rpm | ||
| Пиковая сила, максимальная | 1500W | ||
| Жизнь, минута | 10 миллионов революции | ||
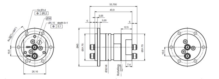
Чертеж плана

Почему с CENO
CENO одна технологически компания в поле кольца выскальзывания которое включает научные исследования и разработки, производство и продажи. Мы выдвигали аппаратуры оборудования и теста высокой точности для обеспечения качеств продукции и надежного характеристики рабочого. Зона объекта покрывает 3000 квадратных метров и обнаруженная местонахождение в Шэньчжэне Китае.

Аттестация
ISO9001, CE, RoHS, UL, взрывозащищенный
Преимущество CENO
Член в проектировать команду имеет больше многолетний опыт чем 10 в поле кольца выскальзывания. Операторы работают на критической процедуре всем квалифицированы внутренней тренировкой.
Обслуживание CENO обеспечивает
24 часа, обслуживание консультанта 7days.
Массовая и подгонянная продукция.
Решение offerring для системы вращения 360°.
Добро пожаловать, который нужно посоветовать с нами с вашими запросами для любой системы вращения 360°. Мы снабдим одно обслуживание стопа вы своевременные отвечаем ваши дознания.