Соединение кабеля роторное интегрирует локальные сети и силу гигабита
Это кольцо выскальзывания конструировано для передачи локальных сетей, совместимый с протоколом шины данных, оно может передать локальные сети, сигналы аналога/данных, УСБ, РС, Каньбус и шина сверхбыстрой передачи данных в непрерывном вращении 360 градусов, хороший соединитель налаживает удобная связь
с быстрым заткните внутри, точность максимума вращая, надежное представление.
Особенности
Применения
Опционный
Спецификация
| ЭКН000-05П1-01ЭГ. | |
| Настоящий | 5*5А; локальные сети 1*Гигабит |
| Напряжение тока | 0~380ВАК/ВДК |
| Электрический шум | ≤30мΩ (50рпм) |
| Диэлектрическая прочность |
≥ 1000V@50Hz (сила) ≥ 300V@50Hz (сигнал) |
| Сопротивление изоляции |
500МΩ@500ВДК (сила) 100МΩ@300ВДК (сигнал) |
| Скорость обработки | 0-1000 рпм |
| Материал контакта | золото к золоту |
| Рабочая температура | -20~+60℃ |
| Путь вращения | установка фланца |
| Ранг предохранения от ИП | ИП54 |
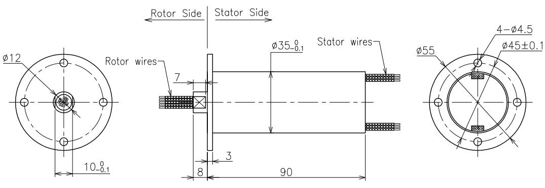
Чертеж плана

Почему с КЭНО
КЭНО одна технологически компания в поле кольца выскальзывания которое включает научные исследования и разработки, производство и продажи. Мы выдвигали аппаратуры оборудования и теста высокой точности для обеспечения качества продукции и надежного характеристики рабочого. Зона объекта покрывает 3000 квадратных метров и обнаруженная местонахождение в Шэньчжэне Китае.
Аттестация
ИСО9001, КЭ, РоХС, УЛ, взрывозащищенный

Преимущество КЭНО
Член в команде инженерства имеет больше многолетний опыт чем 10 в поле кольца выскальзывания. Операторы работают на критической процедуре всем квалифицированы внутренней тренировкой.
Обслуживание КЭНО обеспечивает
24 часа, обслуживание консультанта 7дайс.
Массовая и подгонянная продукция.
Решение офферринг для системы вращения 360°.
Добро пожаловать, который нужно посоветовать с нами с вашими запросами для любой системы вращения 360°. Мы снабдим одно обслуживание стопа вы своевременные отвечаем ваши дознания.