Большой диаметр роторное совместное 112mm для применения руки робота
Этот роторный совместный внутренний диаметр 112mm, принадлежит крупноразмерное роторное совместному, расквартировывающ материал нержавеющая сталь, оно широко использован для руки робота. он значительно обеспечивает решения передачи силы и сигнала, улучшает представление руки робота, упрощает работу энергетической системы, и предотвращает переплетать проводов во время вращения.
Спецификация
| ECN112-02P | Изображение | |
| Настоящий | 2*3A | ![]() |
| Напряжение тока | 380VAC | |
| Электрический шум | ≤70mΩ@50rpm | |
| Диэлектрическая прочность | ≥ 1000V@50Hz | |
| Сопротивление изоляции | 500MΩ@500VDC | |
| Скорость обработки | 100 rpm | |
| Материал контакта | драгоценный металл | |
| Расквартировывать материал | нержавеющая сталь | |
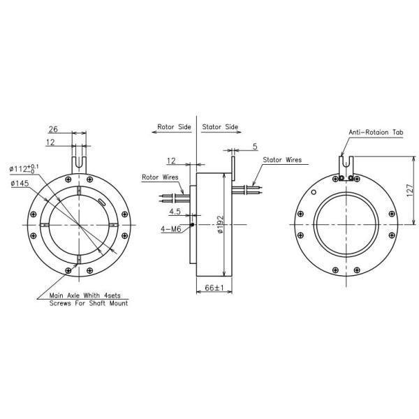
| Через размер скважины | 112mm | |
| Ранг предохранения от IP | IP54 | |
Особенности
Опционный
Применения
Чертеж плана

Почему с CENO
CENO одна технологически компания в поле кольца выскальзывания которое включает научные исследования и разработки, производство и продажи. Мы выдвигали аппаратуры оборудования и теста высокой точности для обеспечения качеств продукции и надежного характеристики рабочого. Зона объекта покрывает 3000 квадратных метров и обнаруженная местонахождение в Шэньчжэне Китае.

Аттестация
ISO9001, CE, RoHS, UL, взрывозащищенный

Преимущество CENO
Член в проектировать команду имеет больше многолетний опыт чем 10 в поле кольца выскальзывания. Операторы работают на критической процедуре всем квалифицированы внутренней тренировкой.

Обслуживание CENO обеспечивает
24 часа, обслуживание консультанта 7days.
Массовая и подгонянная продукция.
Решение offerring для системы вращения 360°.
Добро пожаловать, который нужно посоветовать с нами с вашими запросами для любой системы вращения 360°. Мы снабдим одно обслуживание стопа вы своевременные отвечаем ваши дознания.