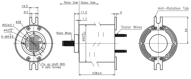
Соединение Мульти-канала роторное больше чем 150 каналов для имитатора движения
Это кольцо выскальзывания мульти-канала для имитатора движения, расквартировывая материал алюминиевый сплав, своя длина 438mm. Вы можете увидеть что больше чем 150 каналов как на роторе, так и на стороне статора для того чтобы передать силу и сигнал, и достигаемость 2m длины провода.
Кольца выскальзывания использованы везде, где электрическим токам или сигналы нужно быть переданным от неподвижного машинного элемента к вращая валу или наоборот.
Спецификация
| ECN000-14P1-157P | Изображение | |
| Настоящий | 14*5A, 137*2A, 20*1A | ![]() |
| Напряжение тока | 240VAC/150VDC/50VDC | |
| Электрический шум | ≤70mΩ (50rpm) | |
| Диэлектрическая прочность | ≥ 1000V@50Hz ≥ 300V@50Hz (сигнал) | |
| Сопротивление изоляции | 500MΩ@500VDC 100MΩ@300VDC (сигнал) | |
| Скорость обработки | 0-100 rpm | |
| Материал контакта | золото к золоту | |
| Расквартировывать материал | алюминиевый сплав | |
| Рабочая температура | -20~+60℃ | |
| Ранг предохранения от IP | IP54 | |
Опционный
Особенности
Применения
Чертеж плана

Почему с CENO
CENO одна технологически компания в поле кольца выскальзывания которое включает научные исследования и разработки, производство и продажи. Мы выдвигали аппаратуры оборудования и теста высокой точности для обеспечения качеств продукции и надежного характеристики рабочого. Зона объекта покрывает 3000 квадратных метров и обнаруженная местонахождение в Шэньчжэне Китае.

Аттестация
ISO9001, CE, RoHS, UL, взрывозащищенный

Преимущество CENO
Член в проектировать команду имеет больше многолетний опыт чем 10 в поле кольца выскальзывания. Операторы работают на критической процедуре всем квалифицированы внутренней тренировкой.

Обслуживание CENO обеспечивает
24 часа, обслуживание консультанта 7days.
Массовая и подгонянная продукция.
Решение offerring для системы вращения 360°.
Добро пожаловать, который нужно посоветовать с нами с вашими запросами для любой системы вращения 360°. Мы снабдим одно обслуживание стопа вы своевременные отвечаем ваши дознания.