electricle колец выскальзывания локальных сетей 100M низкое шумит материал контакта драгоценного металла
Эта модель принадлежит серии кольца выскальзывания локальных сетей CENO. Свой тариф данных до 100Mbps.During перенося сигнала, она также может пройти силу 10Amp без любого взаимодействия. Однако, от своей конструкции, она может также принадлежать сквозной серии slipring ECN отверстия должной к ей имеет 1 дюйм через отверстие.
Особенности
• Отсутствие электрической дуги
• Высокая & низкоточная интегрированная оценка
• Отсутствие помехи
Применения
• машина батареи Li-иона
• Роторная таблица
• Тяжелый кран
Опционный
• Настоящая оценка
• Тип сигнала
• Скорость вращения
Спецификация
|
ECN025-02P2-02EM |
|
| Цепи & течение | 2x10A, 1x PE, 1xEthernet |
| Напряжение тока | 0~380VAC |
| Электрический шум | Макс 30mΩ (50rpm) |
| Диэлектрическая прочность |
≥ 1500V@50Hz (сила) ≥ 500V@50Hz (сигнал) |
| Сопротивление изоляции |
≥500MΩ@500VDC (сила) ≥300MΩ@100VDC (сигнал) |
| Скорость обработки | 0-300 rpm |
| Материал контакта | Драгоценный металл |
| Расквартировывать материал | Алюминиевый сплав |
| Работая температура | -20℃~+60℃ |
| Ранг предохранения от IP | IP51 |
| Через размер отверстия | 25.4mm |
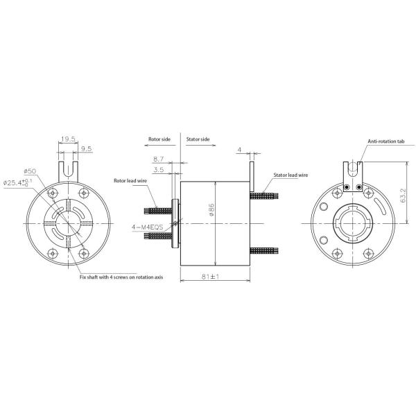
Чертеж плана

|
Применение
|
Почему с CENO
CENO одна технологически компания в поле кольца выскальзывания которое включает научные исследования и разработки, производство и продажи. Мы выдвигали аппаратуры оборудования и теста высокой точности для обеспечения качеств продукции и надежного характеристики рабочого. Зона объекта покрывает 3000 квадратных метров и обнаруженная местонахождение в Шэньчжэне Китае.

Аттестация
ISO9001, CE, RoHS, UL, взрывозащищенный

Преимущество CENO
Член в проектировать команду имеет больше многолетний опыт чем 10 в поле кольца выскальзывания. Операторы работают на критической процедуре всем квалифицированы внутренней тренировкой.
Обслуживание CENO обеспечивает
24 часа, обслуживание консультанта 7days.
Массовая и подгонянная продукция.
Решение offerring для системы вращения 360°.
Добро пожаловать, который нужно посоветовать с нами с вашими запросами для любой системы вращения 360°. Мы снабдим одно обслуживание стопа вы своевременные отвечаем ваши дознания.