Высокая высота деятельности 55000ft скважины 55mm колец выскальзывания -55℃~70℃ температуры внутренняя
ECN055-04P1-26S-JZ типичное высокое кольцо выскальзывания температуры в компании CENO, мы конструирует кольцо выскальзывания профессиональной температуры измеряя согласовывая требование применений промышленной автоматизации. Своя функция включает измерение измерения температуры сигнала и температуры термального сопротивления. Кольцо выскальзывания смогло быть конструировано согласно требованию к клиента, интегрировать другую цепь течения и сигнала со стабилизированным представлением и надежным измерять температуры. Оно широко успешно быть использованным в много автоматическое поле, между тем получает обратную связь еды от потребителей.
Спецификация
|
ECN055-04P1-26S-JZ |
|
| Течение & цепи | 4 circuits*5A, circuits*signal 26 |
| Напряжение тока | 32 ВПТ |
| Диэлектрическая прочность | ≥ 500VAC@50Hz |
| Сопротивление изоляции | 300MQ@500VDC |
| Зыбкость контактного сопротивления | ≤70mΩ (50rpm) |
| Работая скорость | 0~50rpm |
| Материал контакта | Драгоценный металл |
| Расквартировывать материал | Алюминиевый сплав sandblasting окись белая |
| Путь установки | Конец ротора зафиксированный на главном вале |
| Длина подводящего провода |
Ротор: 2000mm Статор: 500mm |
| Размер подводящего провода |
Одиночным провод защищаемый ядром (AFSP- 250-0.35mm2) провод экрана пары 8 ядров (0.2mm2) |
| Высота деятельности | 55000ft |
| Температура деятельности | -55℃~+70℃ |
| Работая влажность | 95+4% |
| Ранг предохранения от IP | IP 54 |
| Внутренняя скважина | Ø55mm |
Особенности
• Работайте на высотах 55000ft и низком уровне температуры к -55℃
• Передайте сигнал и силу совместно
• Консервная банка совмещенная с много сигналов как термопара
Применения
• Испытательное оборудование
• Высокоскоростная железная дорога
• Высокоскоростная таблица вращения
• Промышленный режим автоматического управления
Опционный
• Материал контакта
• Оценка номера цепи &Current
• Работая скорость
• Тип соединителя
• Ранг предохранения от IP
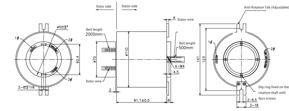
Чертеж плана

Наше обслуживание
1. Дознание ответа в 24 часах.
2. Пожалуйста добросердечно сообщить нас которые детали вы заинтересованы & умеренная цена будет обеспечена вам на получении вашего нового дознания КАК МОЖНО СКОРЕЕ.
3. Ответите ваш детализированный вопрос.
4. Разрешил проблему с вами во время использования наших продуктов.
5. Образцы будут предложены к вам для нашего будущего сотрудничества.
вопросы и ответы
1. Чего мы делаем?
Мы фокусируем на превращаться, sliprings конструировать, изготовлять высококачественные, и предлагаем различные решения для вращая систем.
2. Сколько времени мы в деле?
CENO установило дело колец выскальзывания с 2009. Мы имеем тысячи клиентов признавали наши продукты или обслуживания.
3. Что кольцо выскальзывания?
Кольцо выскальзывания электро-механический прибор который позволяет передаче силы и электрических сигналов от неподвижного к вращая структуре. Кольцо выскальзывания можно использовать в любой электро-механической системе которая требует вращения пока передающ силу или сигналы. Оно может улучшить механическое представление, упростить работу энергетической системы и исключить повреждени-прональные провода качая от передвижных соединений.
4. Как я выбираю кольцо выскальзывания?
Свойственный выбор решения кольца выскальзывания требует деталей о параметрах вашего применения работая включая полные цепи, напряжение тока и amps в цепь, скорость обработки, и тип установки. Прекрасное место для начала вашего поиска с нашими стандартными кольцами выскальзывания. Если вы уверены, то что изготовленному на заказ/доработанному решению наиболее вероятно необходимо или нужна помощь в вашем выборе, свяжитесь мы для того чтобы получить начатым.
5. Вы предлагаете изготовленные на заказ кольца выскальзывания?
Да, если вы уверены, то что изготовленному на заказ/доработанному решению наиболее вероятно необходимо или нужна помощь в вашем выборе, свяжитесь мы для того чтобы получить начатый. Наши инженеры придут вверх с идеальным решением для ваших потребностей.
Почему с CENO
CENO одна технологически компания в поле кольца выскальзывания которое включает научные исследования и разработки, производство и продажи. Мы выдвигали аппаратуры оборудования и теста высокой точности для обеспечения качеств продукции и надежного характеристики рабочого. Зона объекта покрывает 3000 квадратных метров и обнаруженная местонахождение в Шэньчжэне Китае.
Аттестация
ISO9001, CE, RoHS, UL, взрывозащищенный
Преимущество CENO
Член в проектировать команду имеет больше многолетний опыт чем 10 в поле кольца выскальзывания. Операторы работают на критической процедуре всем квалифицированы внутренней тренировкой.
Обслуживание CENO обеспечивает
24 часа, обслуживание консультанта 7days.
Массовая и подгонянная продукция.
Решение offerring для системы вращения 360°.
Добро пожаловать, который нужно посоветовать с нами с вашими запросами для любой системы вращения 360°. Мы снабдим одно обслуживание стопа вы своевременные отвечаем ваши дознания.