Материал контакта драгоценного металла 300 Rpm локальных сетей IP51 1000M роторный совместный
Стабилизированная скорость 0-300 rpm кольца выскальзывания локальных сетей представления 1000M работая, внутренняя скважина 25.4mm.used для turtable оборудования, оборудования нефтяной скважины, медицинской машины.
 
 
С непрерывным развитием технологии, больше и больше запросам колец выскальзывания нужно totransmission в промышленном применении, автоматическая машина и кольца выскальзывания локальных сетей камеры application.CENO CCTV используют особенные дизайны для того чтобы соотвествовать значения потерь соответствуя помехи импеданса, контролировать и управлять. Мы предлагаем широкий диапазон решения к различным применениям соотвествовать запросам клиента. Кольца выскальзывания локальных сетей включая локальные сети 100M и локальные сети 1000M, водоустойчивую консервную банку ранга до IP65, IP68 etc., также можно совместить с электричеством, другим типом сигнала, данными, газом, жидкостным etc.ECN025-05P-04S-01EM-01EG с внутренним размером скважины 25.4mm, интегрированная сила, работая скорость 0-300rpm.CENO могут конструировать различное до конца пробурите размер от 3mm до 980mm согласно требованиям к клиента.
 
 
Спецификация
 
| ECN025-05P-04S-01EM-01EG. Спецификация | |
| Цепи & течение | локальные сети 100M &1000M, 4*signal, 5*30A | 
| Напряжение тока | 0~380VAC/VDC | 
| Диэлектрическая прочность | ≥ 1000V@50Hz (сила) ≥ 300V@50Hz (сигнал) | 
| Сопротивление изоляции | ≥500MΩ@500VDC (сила) ≥100MΩ@100VDC (сигнал) | 
| Электрический шум | ≤ 70mΩ (50 rpm) | 
| Скорость обработки | 0-300 rpm | 
| Материал контакта | Драгоценный металл | 
| Расквартировывать материал | Алюминиевый сплав | 
| Ранг IP | IP51 | 
| Через размер отверстия | 25,4 mm | 
| Работая температура | -20°C~+60°C | 
 
 
Особенности
 
Применения
 
 
Опционный
 
 
 
 
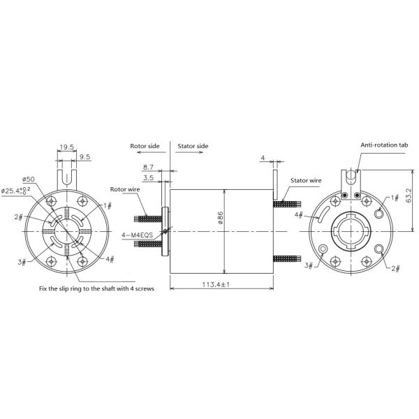
Чертеж плана
 
 

 
 
 
 
 
 
 
 
 
 
 
 
 
 
 
Почему с CENO
 
CENO одна технологически компания в поле кольца выскальзывания которое включает научные исследования и разработки, производство и продажи. Мы выдвигали аппаратуры оборудования и теста высокой точности для обеспечения качеств продукции и надежного характеристики рабочого. Зона объекта покрывает 3000 квадратных метров и обнаруженная местонахождение в Шэньчжэне Китае.

 
Аттестация
ISO9001, CE, RoHS, UL, взрывозащищенный

 
Преимущество CENO
Член в проектировать команду имеет больше многолетний опыт чем 10 в поле кольца выскальзывания. Операторы работают на критической процедуре всем квалифицированы внутренней тренировкой.
 
Обслуживание CENO обеспечивает
24 часа, обслуживание консультанта 7days.
Массовая и подгонянная продукция.
Решение offerring для системы вращения 360°.
 
 
Добро пожаловать, который нужно посоветовать с нами с вашими запросами для любой системы вращения 360°. Мы снабдим одно обслуживание стопа вы своевременные отвечаем ваши дознания.