3 канала радиочастотный вращающийся соединение с радиочастотным скользящим кольцом для радиолокационной антенны
RCN0301C представляет собой новый радиочастотный ротационный союз CENO, который имеет 3 канала радиочастотного сигнала и может быть интегрирован с типами данных или сигналов для радиолокационной системы.Высококачественные скользкие кольца CENO разработаны для жестких условий и требованийТипичные приложения включают башни танков, системы захвата целей и транспортные средства.Электро-оптическая система требует огромного количества данных для передачи через вращающиеся осиДля получения дополнительной информации, пожалуйста, свяжитесь с экспертом CENO.
Особенности
Заявления
Необязательно
Спецификация
|
RCN0301C |
|||
| Спецификация | CH1 | CH2 | CH3 |
| Интерфейс | N-F | N-F | N-F |
| Диапазон частот | 10,2-1,4 ГГц | 1.01-1.1 ГГц | 1.01-1.1 ГГц |
| Пиковая мощность, максимум | 10 кВт | 10 кВт | 10 кВт |
| Средняя мощность | 300 Вт | 100 Вт | 100 Вт |
| VSWR, максимум | 1.5 | 1.25 | 1.25 |
| VSWR WOW, максимум | 0.2 | 0.1 | 0.1 |
| Потеря вставки, максимум | 00,75 дБ | 00,6 дБ | 00,6 дБ |
| Потеря вставки, вау, Макс | 0.2 дБ | 0.2 дБ | 0.2 дБ |
| Изоляция, максимум | 60 дБ | 60 дБ | 60 дБ |
| Стабильность фазы, максимум | ±2° | ||
| Рабочая скорость | 0 ~ 24 оборота в минуту | ||
| Материалы | Сплав алюминия | ||
| Степень IP | IP40 | ||
| Рабочая температура | -40°C~+70°C | ||
| Рабочая влажность | 95% | ||
| Чистый вес | 40,6 кг | ||
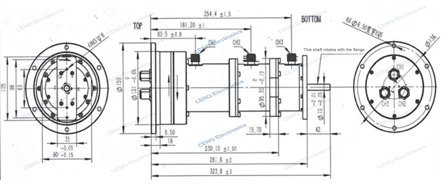
Очертание контуры

Почему с CENO
CENO является одной из технологических компаний в области скользящих колец, которая занимается исследованиями и разработками, производством и продажами.У нас есть современное оборудование и высокоточные испытательные приборы, чтобы обеспечить качество продукции и надежную производительностьОбъект площадью 3000 квадратных метров расположен в Шэньчжэне, Китай.

Сертификация
ISO9001, CE, RoHS, UL, взрывозащищенный
Преимущество CENO
Члены инженерной команды имеют более 10 лет опыта работы в области скольжения кольца. Операторы работают над критическими процедурами, все они квалифицированы на основе внутреннего обучения.
Услуга CENO
24 часа в сутки, 7 дней в неделю.
Массовое и индивидуальное производство.
Решение для системы вращения 360°.
Добро пожаловать, чтобы проконсультироваться с нами с вашими запросами для любой 360° системы вращения. Мы предоставим одностороннее обслуживание для вас своевременно ответить на ваши запросы.