IP67 водонепроницаемое скольжение кольцо с Ethernet сигнал вращающийся электрический соединитель
ECN050-11P-02EM-IP67 - это новое водонепроницаемое скольжение CENO с электрическими цепями и 2 группой * 100M Ethernet.Как мы знаем, что основная функция водонепроницаемого кольца скольжения не только для передачи энергии и сигналаПоэтому его структура сложнее, а технология производства более требовательна.CENO принимает передовые материалы, чтобы гарантировать, что водонепроницаемое скользящее кольцо имеет длительный срок службы и легкую установкуБольше информации, пожалуйста, свяжитесь с нами.
Особенности
Заявления
Необязательно
Спецификация
|
Сноска, в соответствии с ECN050-11P-02EM-IP67 |
Спецификация |
| Ток и схемы | 1 схема * PE; 6 схем * 25A; 4 схем * 16A; 2 * 100M Ethernet |
| Номинальное напряжение | 0 ~ 48VAC / VDC |
| Диэлектрическая прочность | ≥1000VAC@50Hz; ≥300VAC@50Hz |
| Сопротивление изоляции | ≥ 500MΩ@500VDC; ≥ 100MΩ@300VDC |
| Электрический шум | ≤ 30 мΩ (50 оборотов в минуту) |
| Степень IP | IP67 |
| Рабочая влажность | ≤ 60% |
| Рабочая температура | -20°C ~ +60°C |
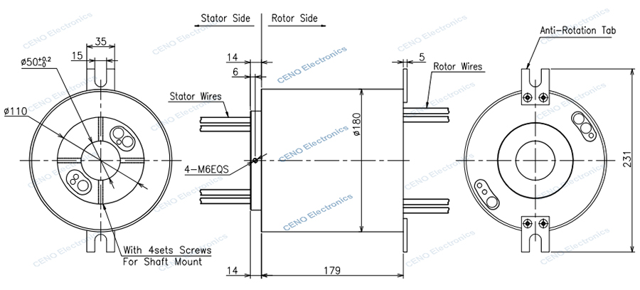
| Внутренний диаметр | Ø50 мм |
| Операционная скорость | 0 ~ 100 оборотов в минуту |
| Рабочий момент | ≤3N*m |
| Контактный материал | Драгоценный металл / Золото в золото |
| Материал для жилья | Сплав алюминия + нержавеющая сталь |
| Размер свинцового провода | Свинцовые провода; защищенные провода; CAT5e |
| Длина свинцового провода | Сторона ротора: 5000 мм; сторона статора: 12000 мм |
| Путь вращения | Поправить сторону статора с анти-ротационный боковой вал приводов ротор работает |
Очертание контуры

Наша служба
1Ответ на запрос через 24 часа.
2Пожалуйста, пожалуйста, сообщите нам, какие предметы вы заинтересованы и разумная цена будет предоставлена вам по получении вашего нового запроса ASAP.
3Ответьте подробно.
4- Решил проблему с вами во время использования наших продуктов.
5Мы предложим вам образцы для нашего будущего сотрудничества.
Частые вопросы
1Что мы будем делать?
Мы специализируемся на разработке, проектировании, производстве высококачественных слайперских устройств и предлагаем различные решения для вращающихся систем.
2Как давно мы занимаемся этим бизнесом?
CENO основала бизнес с кольцами с 2009 года.
3Что такое кольцо?
Слифовальное кольцо - это электромеханическое устройство, которое позволяет передавать мощность и электрические сигналы из стационарной в вращающуюся конструкцию.Слиповое кольцо может использоваться в любой электромеханической системе, которая требует вращения при передаче мощности или сигналовОн может улучшить механическую производительность, упростить работу системы и устранить повреждения проводов, висящих на подвижных соединениях.
4Как выбрать кольцо?
Правильный выбор раствора скользящего кольца требует подробной информации о параметрах работы вашего приложения, включая общее количество схем, напряжение и амперы на схему, скорость работы и тип установки.Хорошее место для начала поиска - наши стандартные кольца.Если вы уверены, что, скорее всего, требуется индивидуальное / модифицированное решение или вам нужна помощь в вашем выборе, свяжитесь с нами, чтобы начать.
5Вы предлагаете кольца на заказ?
Да, если вы уверены, что вам, скорее всего, необходимо пользовательское / модифицированное решение или вам нужна помощь в выборе, свяжитесь с нами для начала.Наши инженеры придумают идеальное решение для ваших потребностей..
Почему с CENO
CENO является одной из технологических компаний в области скользящих колец, которая занимается исследованиями и разработками, производством и продажами.У нас есть современное оборудование и высокоточные испытательные приборы, чтобы обеспечить качество продукции и надежную производительностьОбъект площадью 3000 квадратных метров расположен в Шэньчжэне, Китай.
Сертификация
ISO9001, CE, RoHS, UL, взрывозащищенный
Преимущество CENO
Члены инженерной команды имеют более 10 лет опыта работы в области скольжения кольца. Операторы работают над критическими процедурами, все они квалифицированы на основе внутреннего обучения.
Услуга CENO
24 часа в сутки, 7 дней в неделю.
Массовое и индивидуальное производство.
Решение для системы вращения 360°.
Добро пожаловать, чтобы проконсультироваться с нами с вашими запросами для любой 360 ° системы вращения. Мы предоставим одностороннее обслуживание для вас своевременно ответить на ваши запросы.