MIMXRT1173CVM8A одноядерный 800MHz внешняя программа памяти микроконтроллер IC
Описание продуктаMIMXRT1173CVM8A
MIMXRT1173CVM8A передовая реализация высокопроизводительного ядра Arm Cortex®-M7, работающего со скоростью до 800 МГц, и энергоэффективного ядра Cortex®-M4 до 400 МГц.
Спецификация MIMXRT1173CVM8A
|
Номер части |
MIMXRT1173CVM8A |
|
Охрана |
AES-D,CA,CRC,FAC,HAB,SJC,SNVS,TD,TRNG |
|
PWM [Число бит] |
48 х 16 |
|
ADC [Число, биты] |
2 x 12 |
|
Напряжение питания [минус до максимума] (V) |
От трех до трех.6 |
ОсобенностиMIMXRT1173CVM8A
Интегрированный блок защиты памяти (MPU), до 16 отдельных областей защиты
В общей сложности до 512 КБ I-TCM и D-TCM
Частота 800 МГц с предварительным уклоном тела (FBB)
Поддержка ECC как для кэша, так и для TCM
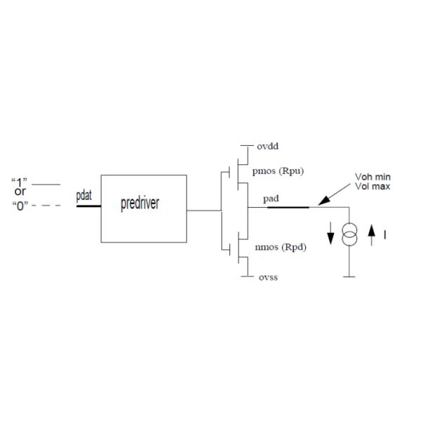
MIMXRT1173CVM8A Схема для параметров Voh и Vol для ячеек В/В

Частые вопросы
Вопрос: Ваши изделия оригинальные?
О: Да, все продукты оригинальные, новый оригинальный импорт - наша цель.
Вопрос: Какие у вас сертификаты?
О: Мы сертифицированная компания по стандарту ISO 9001:2015 и являемся членом ERAI.
Q:Можете ли вы поддержать небольшое количество заказа или образцы?
A: Да, мы поддерживаем заказ образца и небольшой заказ. Стоимость образца отличается в зависимости от вашего заказа или проекта.
Вопрос: Как отправить мой заказ?
A: Мы используем экспресс для отправки, например, DHL, FedEx, UPS, TNT, EMS. Мы также можем использовать ваш предложенный экспедитор.Продукция будет в хорошей упаковке и обеспечить безопасность и мы несем ответственность за повреждение продукта на ваш заказ.
Вопрос: Как насчет сроков?
A: Мы можем отправить запасные части в течение 5 рабочих дней. Если нет запаса, мы подтвердим время доставки для вас на основе количества вашего заказа.