Термометр разрешения 1-Wire IC DS18B20Z+T&R датчика температуры Programmable цифровой
> Применения
●Термостатические контроли
●Индустриальные системы
●Продукты потребления
●Термометры
●Термально чувствительные системы
> Особенности
●Уникальный интерфейс 1-Wire® требует только одного гаван Pin для сообщения
●Уменьшите компонентный отсчет с интегрированным датчиком температуры и EEPROM
• Температуры измерений от -55°C к +125°C (- 67°F к +257°F)
• точность ±0.5°C от -10°C к +85°C
• Programmable разрешение от 9 битов до 12 бита
• Никакие внешние компоненты не требовали
●Паразитный режим силы требует только 2 штырей для деятельности (DQ и GND)
●Упрощает распределенный Температур-воспринимающ применения с возможностью Multidrop
• Каждый прибор имеет уникальный 64-разрядный серийный код, который хранят в бортовом ROM
●Гибкие Потребител-определимые слаболетучие установки сигнала тревоги (NV) с командой поиска сигнала тревоги определяют приборы с температурами вне запрограммированных пределов
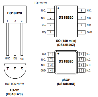
●Доступный в 8-Pin пакеты ТАК (150 mils), 8-Pin ΜSOP, и 3-Pin TO-92
> Описание
Цифровой термометр DS18B20 снабжает бит 9 12 измерения температуры Градуса цельсия бита и имеет функцию сигнала тревоги со слаболетучей потребител-programmable верхушкой и понижает пункты пуска. DS18B20 связывает над автобусом 1-Wire который по определению требует только одной телевизионной строки с данными телетекста (и земли) для сообщения с центральным микропроцессором. К тому же, DS18B20 может вывести силу сразу от телевизионной строки с данными телетекста («силы паразита "), исключая потребность для внешнего электропитания.
Каждое DS18B20 имеет уникальный 64-разрядный серийный код, который позволяет множественному DS18B20s действовать на таком же автобусе 1-Wire. Таким образом, оно прост использовать один микропроцессор для того чтобы контролировать много DS18B20s распределенных над обширным районом. Применения которые могут извлекать пользу из этой особенности для включения контролей за состоянием окружающей среды HVAC, систем мониторинга температуры внутри зданий, оборудования, или машинного оборудования, и процесс контроля и системы управления.

>Спецификации
> Торгуя проводник
Доставка:
---Период доставки: Для частей в-запаса, оценены, что грузят заказы вне в 3 оцененных днях, как только погруженный,
срок поставки зависит от внизу несущих вы выбрали:
» DHL срочный, 3-7 рабочих дней.
» ECommerce DHL, 12-22 рабочих дней.
» Приоритет Federal Express международный, 3-7 рабочих дней
» EMS, 10-15 рабочих дней.
» Зарегистрированная воздушная почта, 15-30 рабочих дней.
---Грузя тарифы: После подтверждать заказ, мы оценим грузя цену основанную на весе
товары.
---Грузя вариант: Мы обеспечиваем DHL, Federal Express, EMS, SF срочное, и зарегистрированную доставку воздушной почты международную.
---Отслеживать доставки: Мы сообщим вас электронной почтой с отслеживая номером как только заказ погружен.
Возвращающ гарантия:
---Возвращающ: Возвращения нормально приняты завершанный в течение 30 дней от даты пересылки. Части
быть неиспользованный и в первоначальной упаковке. Клиент должен принять обязанность для доставки.
Гарантия:
---Все приобретения Retechip приходят с policyThis 30 возвращения задней части денег дня гарантия не применится к любым
деталь где дефекты были причинены неправильным собранием клиента, отказ клиентом следовать
деятельность инструкций, изменения продукта, нерадивых или неправильных.
Приказывать:
---T/T, PayPal, кредитная карточка включает визу, мастера, American Express.