Спецификации продукта
| Основная функция | Спецификация | |
| Максимальная выходная частота | 0~500Гц | |
| Несущая частота | 0,5 кГц ~ 16,0 кГц; в зависимости от характеристик нагрузки, несущая частота может регулироваться автоматически |
|
| Входная частота | Диапазон: 47 ~ 63 Гц | |
| Режим управления | Векторное управление V/F с разомкнутым/замкнутым контуром (SVC/FVC) | |
| Диапазон скоростей | 1:50 (векторный режим 0 ) 1 Гц/150 % номинального крутящего момента | |
| Перегрузочная способность |
Тип G: 150% номинального тока в течение 60 с; 180% номинального тока в течение 3 с 150% номинального тока в течение 3 с |
|
| Повышение крутящего момента | Автоматическое увеличение крутящего момента Ручное увеличение крутящего момента;0,1%~30,0%. | |
| Кривая V/F | Четыре режима: линейный, многоточечный, квадратная кривая V/F, разделение V/F | |
| Джог-контроль | Диапазон частоты толчкового режима: от 0,00 Гц до F0-10 (максимальная частота) | |
| Кривая ускорения/замедления | Линейный или S-образный режим разгона/торможения, четыре вида диапазона времени разгона/торможения Время разгона/торможения0.0~65000.00 с. |
|
| тормоз постоянного тока | Частота торможения постоянным током: от 0,00 Гц до максимальной частоты время торможения: от 0,0 до 36,0 с значение тока тормоза: от 0,0 до 100% |
|
| Простой ПЛК, многоскоростной | 16-скоростная работа через встроенный ПЛК или терминал управления | |
| Встроенный ПИД | Замкнутая система управления может быть легко сформирована с использованием PID | |
| Автоматическое напряжение регулирующий (АВР) |
Выходное напряжение регулируется при изменении напряжения питающей сети | |
| Перенапряжение и перегрузка по току управление сваливанием |
Во время работы автоматически ограничивает выходной ток инвертора и напряжения на шине, чтобы предотвратить перегрузку вентилятора по току и перенапряжение. |
|
| Быстрое ограничение тока функция |
Минимизация сбоев потока, защита нормальной работы инвертора | |
| Мгновенная остановка без остановки | Напряжение компенсации энергии обратной связи нагрузки уменьшается и продолжает поддерживаться в течение короткого времени, когда изменение мгновенно прерывается. | |
| Начало отслеживания скорости | Для высокоскоростного вращения идентификации скорости двигателя удар- бесплатный плавный пуск |
|
| Ограничение быстрого тока | Быстрая технология ограничения программного и аппаратного обеспечения, чтобы избежать частая неисправность преобразователя по току. |
|
| Виртуальный ввод-вывод | Пять наборов виртуальных цифровых выходов, пять наборов виртуальных цифровых входов обеспечивают простое логическое управление. | |
| Контроль времени | Контроль времени: установите временной диапазон от 0,0 мин до 6500,0 часов. | |
| Мультимотор выключатель |
Два независимых параметра двигателя, позволяющие управлять переключением двух двигателей | |
| Поддержка автобуса | Две независимые связи Modbus, CAN-Link | |
| Источник команды | Дана панель управления, терминал управления, порт последовательной связи.Это можно переключать разными способами. |
|
| Повышение крутящего момента | Автоматическое увеличение крутящего момента Ручное увеличение крутящего момента;0,1%~30,0%. | |
| Источник частоты | Девять видов источников частоты: цифровая установка, аналоговая установка напряжения, аналоговая установка тока, установка импульса или последовательный порт и так далее.Его можно переключать разными способами. | |
| Вспомогательный источник частоты |
Девять видов вспомогательного источника частоты.Гибкая реализация вспомогательных перестройка частоты, синтез частоты. |
|
| Входной терминал | Шесть цифровых входных терминалов, один из которых поддерживает только высокоимпульсный вход 50 кГц Две аналоговые входные клеммы, одна поддерживает ввод напряжения 0–10 В. Один поддерживает вход напряжения 0 ~ 10 В или вход тока 0 ~ 20 мА |
|
| Вывод Терминал |
Одна клемма высокоскоростного импульсного выхода (дополнительно с открытым коллектором), поддержка выходной сигнал прямоугольной формы 0 ~ 50 кГц Один цифровой выходной терминал Клеммы релейного выхода Две аналоговые выходные клеммы, поддержка токового выхода 0 ~ 20 мА или 0 ~ 10 В выходное напряжение |
|
| Дисплей и работа | ||
| Светодиодный дисплей | Отображение параметров и информации о состоянии | |
|
Блокировка клавиш и выбор функций
|
Заблокируйте некоторые или все ключи, ключи раздела определения области для предотвращения неправильного использования. |
|
| Функция защиты | Защита от обрыва входной/выходной фазы, защита от перегрузки по току, перегрузка защита по напряжению;Защита от пониженного напряжения;Защита от перегрева; Защита от перегрузки |
|
| Опции | Тормозной узел, карта PG | |
| Окружающая обстановка | ||
| Среда приложения | В помещении, вдали от прямых солнечных лучей, пыли, агрессивных газов, горючих газов, масляного тумана, пара, капель воды и соли. | |
| Высота | Ниже 1000 м | |
| Вибрация | Менее 5,9 м/с (0,6 г) | |
Технические характеристики
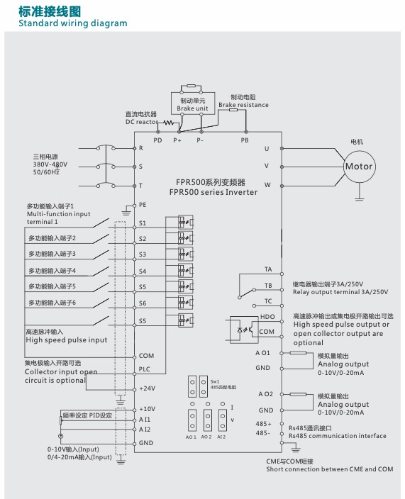
Схема подключения:

Экскурсия по фабрике:
