Мотор Nema 34 планетарный зацепленный Stepper с уменьшением шестерни Stepper мотора коробки передач 10:1 коэффициента шестерни
Наши главные продукты включают гибридный мотор шага, и водителя шага, мотор сервопривода шага и водителя, интегрированный мотор сервопривода шага, линейный stepper мотор, зацепленный stepper мотор, stepper мотор с тормозом, безщеточный мотор dc. И мы всегда исследующ и развивающ новые продукты.
Наши продукты получают широкое применение в гравировальном станке, прокладчике вырезывания, машине ткани, принтере 3D, медицинских инструментах, оборудовании света этапа, роботе, CNC, фонтане музыки, и другом промышленном автоматическом оборудовании.
Параметры коробки передач:
| Спецификации | Первая стадия | Второй этап | |
| Коэффициент шестерни | 4,5,10 | 16,20,25,40,50,100 | |
| Длина | mm | 73 | 87 |
| Номинальная нагрузка | N.m | 50 | 80 |
| Максимальная нагрузка | N.m | 100 | 160 |
| Effiency | % | 96 | 94 |
| Blacklash | arcmin | ≤15 | ≤25 |
| Вес | Kg | 2 | 2,5 |
| Расклассифицированная скорость на вводе | rpm | 3000 | 3000 |
| Максимальная скорость на вводе | rpm | 5000 | 5000 |
| Класс защиты | IP | 65 | 65 |
| Смазка | смажьте (пожизненная смазка) | смажьте (пожизненная смазка) | |
| Шум | dB | ≤45 | ≤45 |
| Жизнь | h | ~20000 | ~20000 |
Параметры Stepper мотора:
| Модель никакая | Угол шага () | Расклассифицированное напряжение тока (v) | Расклассифицированное настоящее (a) | Сопротивление участка () | Индуктивность участка (mH) | Держащ вращающий момент (Kg.cm) | Вращающий момент защелки (g.cm Макс) | Инерция ротора (g.cm) | Длина мотора (mm) | Руководства нет. | Вес мотора (Kg) |
| 86HS100-5004 | 1,8 | 2,5 | 5 | 0,5 | 4 | 68 | 2000 | 2100 | 100 | 4 | 3,2 |
| 86HS100-5008 | 1,8 | 2,5 | 5 | 0,5 | 4 | 65 | 2000 | 2100 | 100 | 8 | 3,2 |
| 86HS118-6004 | 1,8 | 3,6 | 6 | 0,6 | 6 | 85 | 2400 | 2700 | 118 | 4 | 3,7 |
| 86HS118-5608 | 1,8 | 3,4 | 5,6 | 0,6 | 6 | 85 | 2400 | 2700 | 156 | 8 | 3,7 |
| 86HS156-5504 | 1,8 | 3,9 | 5,5 | 0,7 | 9 | 120 | 3600 | 4000 | 156 | 4 | 5,5 |
| 86HS156-6204 | 1,8 | 3,6 | 6,2 | 0,75 | 9 | 122 | 3600 | 4000 | 156 | 8 | 5,5 |
| Выше только для репрезентивных продуктов, продукты особенного запроса можно сделать согласно запросу клиента. | |||||||||||
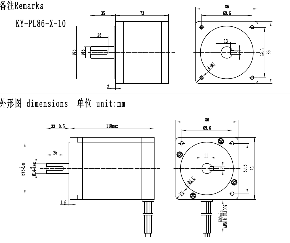
Размеры (mm):


