Поле принтера Stepper мотора 3D Nema 17 планетарное зацепленное используемое с коэффициентом шестерни
Наши главные продукты включают гибридный мотор шага, и водителя шага, мотор сервопривода шага и водителя, интегрированный мотор сервопривода шага, линейный stepper мотор, зацепленный stepper мотор, stepper мотор с тормозом, безщеточный мотор dc. И мы всегда исследующ и развивающ новые продукты.
Наши продукты получают широкое применение в гравировальном станке, прокладчике вырезывания, машине ткани, принтере 3D, медицинских инструментах, оборудовании света этапа, роботе, CNC, фонтане музыки, и другом промышленном автоматическом оборудовании.

Параметры коробки передач:
| Спецификации | Первая стадия | Второй этап | |
| Коэффициент шестерни | 4,5,10 | 16,20,25,40,50,100 | |
| Длина | mm | 42 | 52 |
| Номинальная нагрузка | N.m | 3,5 | 15 |
| Максимальная нагрузка | N.m | 6 | 25 |
| Effiency | % | 95 | 90 |
| Blacklash | arcmin | ≤15 | ≤25 |
| Вес | Kg | 0,4 | 0,6 |
| Расклассифицированная скорость на вводе | rpm | 3000 | 3000 |
| Максимальная скорость на вводе | rpm | 5000 | 5000 |
| Класс защиты | IP | 65 | 65 |
| Смазка | смажьте (пожизненная смазка) | смажьте (пожизненная смазка) | |
| Шум | dB | ≤45 | ≤45 |
| Жизнь | h | ~20000 | ~20000 |
Параметры Stepper мотора:
| Модель никакая | Угол шага (掳) | Расклассифицированное напряжение тока (v) | Расклассифицированное настоящее (a) | Сопротивление участка (惟) | Индуктивность участка (mH) | Держащ вращающий момент (Kg.cm) | Вращающий момент защелки (g.cm Макс) | Инерция ротора (虏 g.cm) | Длина мотора (mm) | Руководства нет. | Вес мотора (Kg) |
| 42HS34-0404 | 1,8 | 12 | 0,4 | 30 | 35 | 3,2 | 200 | 34 | 34 | 4 | 0,22 |
| 42HS34-0844 | 1,8 | 4,8 | 0,84 | 5,75 | 8 | 2,8 | 200 | 34 | 34 | 4 | 0,22 |
| 42HS34-1704 | 1,8 | 2,2 | 1,7 | 1,3 | 1,8 | 2,8 | 200 | 34 | 34 | 4 | 0,22 |
| 42HS40-0404 | 1,8 | 12 | 0,4 | 30 | 60 | 4,2 | 220 | 54 | 40 | 4 | 0,28 |
| 42HS40-0804 | 1,8 | 5,4 | 0,8 | 6,8 | 12 | 4,5 | 220 | 54 | 40 | 4 | 0,28 |
| 42HS40-1204 | 1,8 | 6,6 | 1,2 | 5,5 | 11 | 5,2 | 220 | 54 | 40 | 4 | 0,28 |
| 42HS40-1684 | 1,8 | 2,8 | 1,68 | 1,68 | 3,4 | 4 | 220 | 54 | 40 | 4 | 0,28 |
| 42HS40-1704 | 1,8 | 3,4 | 1,7 | 2 | 3 | 4 | 220 | 54 | 40 | 4 | 0,28 |
| 42HS40-1206 | 1,8 | 4 | 1,2 | 3,3 | 3,5 | 2,97 | 220 | 54 | 40 | 6 | 0,28 |
| 42HS48-0404 | 1,8 | 12 | 0,4 | 30 | 45 | 4,5 | 280 | 68 | 48 | 4 | 0,38 |
| 42HS48-1004 | 1,8 | 4,5 | 1 | 4,5 | 10 | 5 | 280 | 68 | 48 | 4 | 0,38 |
| 42HS48-1304 | 1,8 | 4,6 | 1,3 | 3,5 | 6,6 | 5,5 | 280 | 68 | 48 | 4 | 0,38 |
| 42HS48-1504 | 1,8 | 4,2 | 1,5 | 2,8 | 5,5 | 5,5 | 280 | 68 | 48 | 4 | 0,38 |
| 42HS48-1684 | 1,8 | 3,4 | 1,68 | 2 | 3,8 | 5,2 | 280 | 68 | 48 | 4 | 0,38 |
| 42HS48-0406 | 1,8 | 12 | 0,4 | 30 | 28 | 3,2 | 280 | 68 | 48 | 4 | 0,38 |
| 42HS52-1504 | 1,8 | 4,5 | 1,5 | 3 | 7 | 6,8 | 300 | 80 | 52 | 4 | 0,45 |
| 42HS60-1504 | 1,8 | 3,8 | 1,5 | 2,5 | 6 | 7 | 360 | 95 | 60 | 4 | 0,55 |
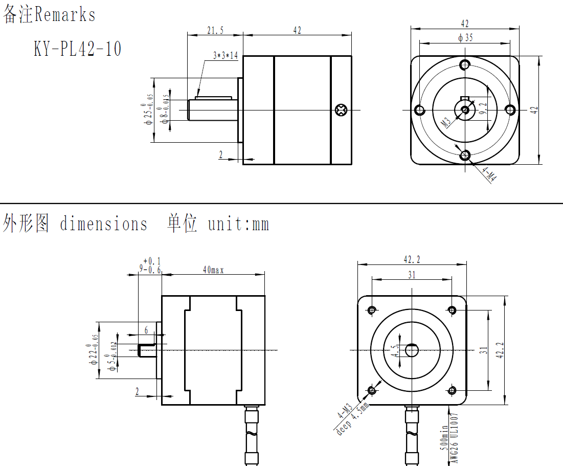
Размеры (mm):


