Мотор и водитель сервопривода шага stepper мотора короткозамкнутого витка NEMA 24 3N.m с CE, ISO9001
Электрические параметры:
| Режим | Угол шага | Настоящий (a) | Сопротивление (Ω±10%) |
Индуктивность |
Удержание вращающего момента |
Длина мотора |
Кодировщик Разрешение (PPR) |
|
водитель suitbale |
| 60HSE3N-D25 | 1.8° | 5 | 0,45 | 1,8 | 3 | 88 | 1000 | 1,55 | HSS60 |
Особенности:
Система короткозамкнутого витка Stepper мотора, никогда не теряет шаг.
Улучшите вращающий момент выхода мотора и работая скорость.
Автоматическая настоящая регулировка основанная на нагрузке, поднимать более низкой температуры.
Соответствующий для всех условий механической нагрузки (включите низкие ременный шкив и колесо ригидности), никакой потребности отрегулировать параметр увеличения.
Работа мотора ровно и низкая вибрация, высокие динамические характеристики на ускорении и торможение.
Отсутствие вибрации от быстрого хода до нул скоростей
Мотор короткозамкнутого витка серии 3N.m nema 24 привода stepper.
Частота ответа ИМПов ульс может достигнуть 200KHZ
выбор 16 microsteps видов, самое высокое 51200microsteps/rev.
Ряд напряжения тока: DC24V~50V
Предохранение от разнице в перегрузок по току, перенапряжения и положения ультра
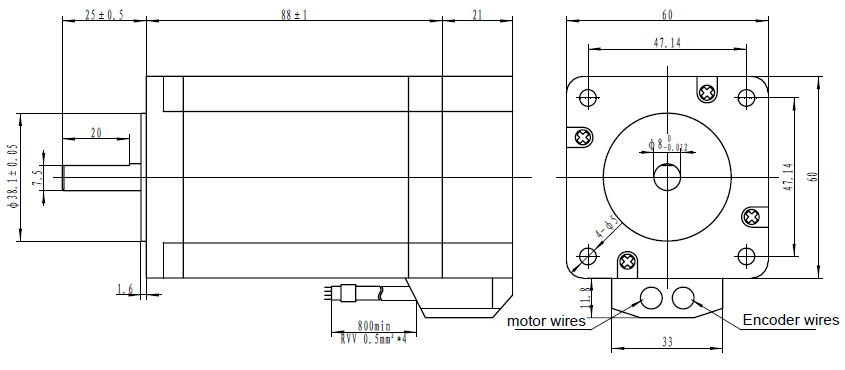
Размер мотора:

Размер водителя:

Вращающий момент/кривая распределения частот:

Электрический параметр
| Ряд напряжения тока | DC24~50V |
| Пиковое течение | Пик 6.0A (настоящее изменение согласно нагрузке) |
| Течение входного сигнала логики | 7~20mA |
| частота | 0~200KHz |
| Соответствующий мотор | 42HSE05N |
| Линии кодировщика | 2500 |
| Сопротивление изоляции | >=500MΩ |
Параметр окружающей среды
| Охлаждая метод | Естественный или радиатор | |
|
Работать |
Работая случаи | попробуйте избежать пыли, масла, газа корозии |
| Работая temprature | 0~50℃ | |
| Работая humidit | 40~90%RH | |
| virbration | 5.9m/s ² Макс | |
| Температура хранения | -20℃~65℃ | |
| Вес | О 300g | |
Мы используем высококачественное сырье для обеспечения мотора качественного, лучшего представления, длиной используя жизнь:

Применения:
Stepper мотор получает широкое применение в гравировальном станке, машине ткани, принтере 3D, медицинских инструментах, оборудовании света этапа, роботе, CNC, фонтане музыки, и другом промышленном автоматическом оборудовании.
