мотор короткозамкнутого витка 110HCE 3-phase110mm 12N.m stepper и цифровой stepper водитель 3HSS2260
Электрические параметры:
| Режим | Угол шага | Настоящий (a) | Сопротивление (Ω±10%) |
Индуктивность (mH±20%) |
Удержание вращающего момента (N.m) |
Длина мотора (mm) |
Кодировщик Разрешение (PPR) |
Вес (kg) |
водитель suitbale |
| 110 N.B. 39 HCE 12 | 1.2° | 4,2 | 1,2 | 13 | 12 | 139 | 1000 | 8 | 3HSS2260 |
Мотор и водитель короткозамкнутого витка Stepper:
Особенности:
1. трицатидвухразрядная технология регулирования по замкнутому циклу DSP и вектора
2. Без проигрышного шага, высокая точность в положении
3. улучшите вращающий момент выхода мотора и работая скорость
4. технология регулирования по току переменной, задерживает повышение температуры мотора
5. приспособьтесь к разнообразию условий механической нагрузки (включая шкивы низко-ригидности), отсутствие потребности отрегулировать параметр увеличения
6. ровный и надежный двигать, низкая вибрация, большее улучшение внутри ускоряет ход и замедляет
7. Способность нул скоростей статических без вибрации
8. приспособьтесь к мотору трехфазного (NEMA 42) гибридному сервопривода 86 (NEMA34) и 110
9. максимальная частота 200KHZ шаг-ИМПа ульс
10. микро- ИМП ульс раздела 200-65535/возбуждает
11. ряд AC150-220V напряжения тока
12. Над течением, над напряжением тока и над предохранением от положения
13. 6 цифровых дисплеев трубки, легкие для того чтобы установить параметры и проконтролировать государство мотора идущее
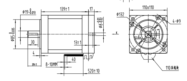
Размер мотора:

Размер установки водителя: (mm)

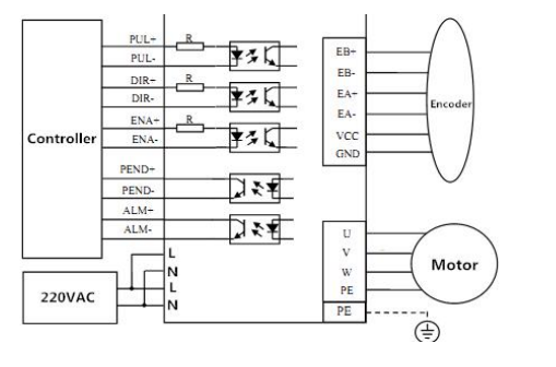
Водитель скручивает диаграмму:

Применения:
Соответствующее для оборудования и инструментирования автоматизации которое требуют
большой вращающий момент, как: гравировальный станок, швейная машина, провод-обнажая машина, машина маркировки, автомат для резки, машина фото лазера составляя, прокладывая курс аппаратуры, механический инструмент численного контроля, автоматическое сборочное оборудование и так далее. Оно с хорошей работой в оборудовании с меньшими шумом и быстрым ходом.
