R19-3 дальше с UL 94V-0 UL 94V-2 оценки огня контактов серебряного сплава циклов коромысла 10000
Спецификация серии R9
Безопасно утверждение: UL, CUL, VDE, ENEC, CQC, KC, TV-5
Электрическая оценка: AC 6A/12A/16A 250V, AC 12A/21A 125V,
Механическая выносливость жизни: 30 000 циклов
Электрическая выносливость жизни: 10 000 циклов
Сопротивление контракта: <20mΩ
Сопротивление изоляции: >1000MΩ
Температура окружающей среды: T85/T105
Оценка огня: UL 94V-2. UL 94V-0. Зарев-провод, определение температуры воспламенения иглы.
Материал снабжения жилищем: PA66/PC
Материал контактов: Серебряный сплав
Материал терминала: Покрытое медистое серебро
Способность припоя терминала: Макс 350℃ 3S, не придает давление к терминалу сваривая вручную.
Правило номера детали связывая: Выборы функции переключателя, цвета снабжения жилищем, цвета привода, маркировки, терминального типа, имени лампы, напряжения тока лампы можно найти здесь.

Вариант функции переключателя:
| Деталь никакой | Poles& Ходы | Положение коромысла | ||
| Левая сторона | Центр | Право | ||
| R91 | SPST | НА | Никакие | |
| R99 | SPST (с лампой) | НА | Никакие | |
| R9D | DPST | НА | Никакие | |
| R9Y | DPST (с лампой) | НА | Никакие | |
| R9I | Индикатор | |||
Панель отрезала вне.

| Вырез панели | ||
| Z | Y | X |
| 0.7~1.25 [.028~.049] | 12.9~13.1 [.508~.515] | 19.1~19.2 [.752~.756] |
| 1.25~2.0 [.049~.079] | 12.9~13.1 [.508~.515] | 19.3~19.4 [.760~.764] |
| 2.0~3.0 [.079~.118] | 12.9~13.1 [.508~.515] | 19.4~19.6 [.764~.772] |
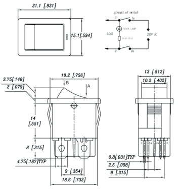
Размер.

Терминальный тип.
