ОСВЕЩЕНИЕ ВРАГА ОБЛОМОКА СИД 2V 350MA 0.81W 2720 33-97LM 612-630NM SMD АВТОМОБИЛЬНОЕ
2720 очень сильный и надежный продукт СИД упаковывая. Свои выдающие преимущества высокая яркость, низкое термальное сопротивление и хорошая термическая стабильность. Уникальная стабильность цикла температуры. Часть рамки руководства оптимизирована для коэффициента теплового расширения монтажной платы для обеспечения высокой стабильности сваривая пункта.
Пакет: Пакет эпоксидной смолы SMD
Типичная радиация: ° 120
Ранг коррозионной устойчивости: 3B
Аттестация автомобиля: iec60810, aec-q102
Уровень 3b ESD, 2 kV, 2 kV
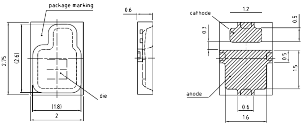
Размеры: 2,75 x 2,0 x 0,6 mm
размер торгового центра (особенно высота)
Самая лучшая ранг термального сопротивления соответствующая для приборов средней силы
Панхроматический спектр
8-color варианты, высокая общая характеристика
Сильная гибкость и свободный дизайн
Первый продукт на рынке для того чтобы осуществить множественные уровни силы в одном размере пакета
Индустрия самая опытная в решении размера пакета
2 цвета красного и супер красного цвета имеют двойственные функции разъединения
Внутреннее освещение (как показано в диаграмме окружающей среды)
сигнал
ночное видение
Голова СИД вверх по системе индикации и лазеру
Максимальные оценки
Значения символа параметра
|
Рабочая температура Верхняя часть MIN. максимальный. |
-40 °C °C 125 |
|
Температура хранения Tstg MIN. максимальный. |
-40 °C °C 125 |
| Температура соединения Tj максимальный. | °C 150 |
| Температура соединения для applications* короткого периода времени Tj максимальный. | °C 175 |
|
Пропускной ток ЕСЛИ MIN. T = °C 25 максимальный. |
10 мам 500 мам |
|
Течение пульсации IFS максимальный. µs ≤ 10 t; D = 0,005; TS = °C 25 |
1500 мам |
|
Обратное напряжение 2): VR VR максимальный. T = °C 25 |
12 v |
|
ESD выдерживает напряжение тока acc. к ANSI/ESDA/JEDEC JS-001 (HBM, классу 2) VESD |
2 kV |
Медианная продолжительность жизни (L70/B50) для Tj = 175°C 100h.
Характеристики
ЕСЛИ 350 мам; TS = °C 25
Значения символа параметра
| Пиковая длина волны | λpeak тип. 630 nm |
|
Преобладающая длина волны 3) ЕСЛИ = 350 мам |
MIN. 612 nm λdom тип. 621 nm максимальный 630 nm |
| Спектральная ширина полосы частот на 50% Irel, максимальное | ∆λ тип. 18 nm |
| Угол наблюдения на Iv 50% | 2φ тип. ° 120 |
|
Пропускное напряжение 4) ЕСЛИ = 350 мам |
MIN. 2,0 v VF тип. 2,3 v максимальный 2,6 v |
|
Обратное настоящее 2) VR = 12 V |
Инфракрасн тип. 0,01 µA максимальный µA 10 |
| Реальные соединение термального сопротивления/solderpoint 5) | Rthjs реальное тип. K 13,0/W максимальный K 16,0/W |
| Электрические соединение термального сопротивления/solderpoint 5) с ηe эффективности = 30% |
Rthjs электрическое тип. 9,1 K/W максимальный K 11,2/W |
Яркость
Группы
Группа
Светящий поток 1
Я = 350 мам
| 33 lm | 39 lm | CD 12 |
| 39 lm | 45 lm | CD 14 |
| 45 lm | 52 lm | CD 16 |
| 52 lm | 61 lm | CD 19 |
| 61 lm | 71 lm | CD 22 |
| 71 lm | 82 lm | CD 25 |
| 82 lm | 97 lm | CD 30 |
| 2,00 v | 2,15 v |
| 2,15 v | 2,30 v |
| 2,30 v | 2,45 v |
| 2,45 v | 2,60 v |
Группы длины волны
Группа
Преобладающая длина волны 3)
ЕСЛИ = 350 мам
| 612 nm | 616 nm |
| 616 nm | 620 nm |
| 620 nm | 624 nm |
| 624 nm | 627 nm |
| 627 nm | 630 nm |
Относительное спектральное излучение
Φrel = f (λ); ЕСЛИ = 350 мам; TS = °C 25

Характеристики радиации
= f (ϕ); °C s 25




Габаритный чертеж

Профиль паять Reflow
Продукт исполняет к acc уровня 2 MSL. к JEDEC J-STD-020E

Блок собрания символа особенности профиля Pb свободный от (SnAgCu)
Минимальный максимум рекомендации
|
Тариф пандуса-вверх к preheat*) 2 °C 25 к °C 150 |
3 | K/s | ||
|
tS 60 100 T к t |
120 | s | ||
|
|
3 | K/s | ||
| Температура t 217 Liquidus | °C | |||
| Время над температурой tL 80 liquidus | 100 | s | ||
| Пиковая температура t 245 | 260 | °C | ||
|
Время внутри °C 5 определенного пика температура TP - 5 k |
30 | s | ||
|
Rate* 3 пандуса-вниз T к °C 100 |
6 | K/s | ||
|
Время °C 25 к TP |
480 | s |
Все температуры ссылаются на центр пакета, измеренный на верхней части компонента * вычисления DT/Dt наклона: Dt максимальные 5 s; выполнение для всего T-ряда