Продукт может выбрать 2 направления вращения, левый и правый, согласно ситуации применения. Свои преимущества ядра 3:
1. Оно значительно уменьшает время для зажимать и выпускать workpiece, по мере того как гидравлическое приспособление полагается на давлении масла достигнуть времени workpiece, которое уменьшено 90% -95% сравненным к ручным приспособлениям,
2.High располагая точность, повторимость зажимать силу обеспечивает точность располагать и зажимать.
3.Fully используют космос как можно больше для того чтобы улучшить норму использования космоса приспособления
| Скважина (mm) | 32 | 40 | 50 | 63 |
| Движение | Двойной действовать | |||
| Угол шарнирного соединения | 90°, 180° | |||
| Направление шарнирного соединения | Влево или вправо | |||
| Ход шарнирного соединения | 16, 20 | |||
| Ход струбцины | 9, 10 | |||
| Жидкость | Midnal | |||
| Максимальное давление работы (kgf/c㎡) | 70 140 | |||
| Тест (kgf/c㎡) | 210 | |||
Форма заказа
OS2 --- СТАРШИЙ --- 32 x 90 ---
1 2 3 4
| OS2: Поверните на шарнирах и зажмите гидравлический цилиндр | ||
| 1 | Тип |
(1) СТАРШИЙ: одиночное бортовое правое шарнирное соединение (3) DR: swive двойных сторон правое (2) SL: шарнирное соединение одиночной стороны левое (4) DL: двойные стороны вышли шарнирное соединение |
| 2 | Скважина mm | 32, 40, 50, 63 |
| 3 | Угол шарнирного соединения | 90°, 180° |
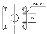
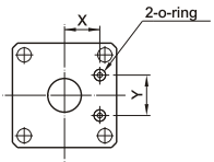
| 4 | Порт входного сигнала |
(1) A/space: стандартные поршени-одн на теле, другое сбоку низкопробного фланца. (2) b: порты входного сигнала на сторонах низкопробного фланца. (3) m: порты входного сигнала в boctom низкопробного фланца. |
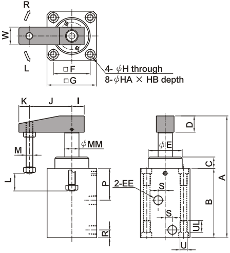
Внешний размер:
| Рука OS2-90° одиночная | Рука OS2- 90° двойная |
![]() |
![]() |
| Сторона фланца OS2-B | Сторона дна OS2-M |
![]() |
![]() |
Терапия характера продукции и работы:
Плунжерный шток может повернуть 90° к праву (или вышл) пока втягивающ и втягивающ, и после этого использует зажимая ход для того чтобы зажать workpiece зажимая рукой цилиндра масла.
Самое большое преимущество вращая зажимая цилиндра что оно имеет действие вращать и отжимать вниз, которое может эффектно избежать проблемы затруднения традиционных цилиндров.
Оно может достигнуть функции вращать и отжимающ в узких положениях с ограниченным космосом, как с радиальным вращением, так и с осевым зажимая действием, обжать и исправить объект цели, должный к пользе продетых нитку пазов и штырей достигнуть вращения, направление вращения зажимая цилиндр вообще выведено от действия давления в сторону понижения.
Вращение и давление в сторону понижения не происходят одновременно, но время вращения будет короче чем давление в сторону понижения. Когда вращение зажимая цилиндр работает нормально, для этого нужно ждать действие вращения, который нужно завершить прежде чем давление в сторону понижения можно использовать для располагать.
Его нельзя использовать для работы во время вращения если сила не будет очень небольшая, должный к этим характеристикам, роторный зажимая цилиндр обычно использовано в компактных положениях для того чтобы достигнуть действия роторного обжатия.
Мастерская продукции

вопросы и ответы
Q1: Jufan изготовитель?
Мы агенство jufan заморского рынка, имеем нашу собственную фабрику, поэтому мы можем обеспечить самую лучшую цену также первое обслуживание.
Q2: Вы принимаете изготовление на заказ или нештатные продукты?
Да, мы можем подгонять продукты как требуемые клиенты.
Q3: Что ваше MOQ?
MOQ зависит от наших клиентов. Кроме того, мы приветствуем пробный заказ перед массовым производством.
Q4: Сколько времени ваш срок поставки?
Нормально, срок поставки 7 дней если мы имеем запас. Если мы не имеем запас, то для этого нужны 15-30 рабочих дней. И он также зависит от количества и требований продуктов.
Q5: Что ваши условия оплаты?
T/T. Если вы имеете любые вопросы, то пожалуйста чувствуйте свободный связаться мы.
Q6: Вы обеспечиваете образцы?
Нет. Если вы имеете любые вопросы, то пожалуйста чувствуйте свободным связаться мы.