|
Данные по соединителя технические
|
|||||||||
|
Номер модели
|
MF05P3LABP13 | ||||||||
|
Соединители нет.
|
Код
|
||||||||
| Степень загрязнения | 3 | ||||||||
| Расклассифицированное течение | 13A, 8A | ||||||||
|
Расклассифицированное напряжение тока
|
300V
|
||||||||
|
Напряжение тока импульса
|
2500V
|
||||||||
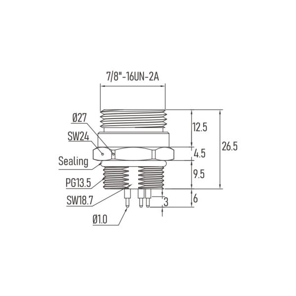
| Гайка винта | Латунный, CNC, покрытый никель | ||||||||
| Над прессформой | TPU | ||||||||
| Несущая контакта | TPU+GF | ||||||||
| Contect | Латунь | ||||||||
| Плакировка контактов | Au | ||||||||
| Колцеобразное уплотнение | FKM, кремний | ||||||||
Штепсельная розетка держателя панели позволяет вы заткнуть соединители сразу в соединитель стены или свободно-смертной казни через повешение прибора для собрания в--поля. Процесс включает отрезать отверстие в поверхности электрического прибора и установить штепсельную розетку через или против отверстие. Этот тип держателя можно установить почти везде на шасси продукта и хорошо подойдет для продуктов которые требуют IP-расклассифицированной защиты от входа пыли или воды.
Противоположность переднего держателя.
Потоки на части соединителя собрания.
Устанавливает изнутри коробки.
Обеспеченный с гайкой колцеобразного уплотнения и варенья на снаружи коробки.
Не как легкий заменить/требует больше преднамерения чем передние держатели.
вопросы и ответы
●Что штепсельная розетка держателя панели s?
Штепсельная розетка похожий на штепсельн прибор который позволяет электрическому прибору соединиться с поставкой электричества.
Соединитель похожий на штепсельн прибор который прикрепляет к штепсельной розетке для того чтобы замкнуть электрическая цепь и поставить электричество.

