Высокий магнит вольта 220V NdFeB почистил мотор щеткой смесителя мотора высокоскоростной
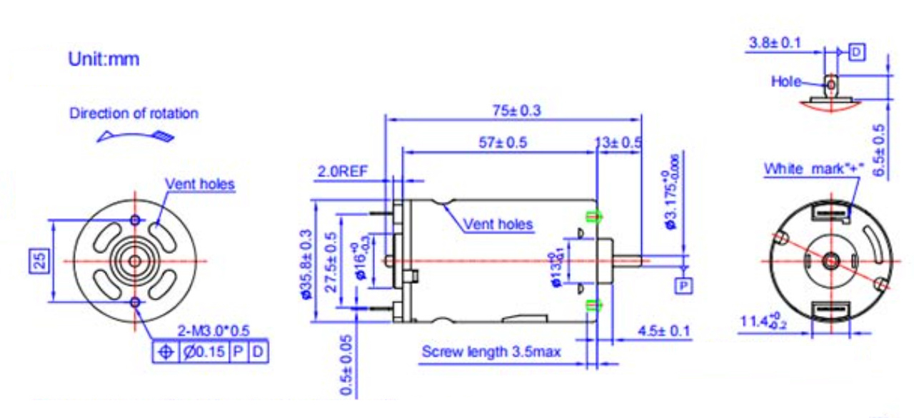
Мотор Secore 3657 для определяющих параметров смесителя:
Номер мотора: DC-SC3657
Напряжение тока деятельности: 100-230V
Сила: 82W
Вращая направление: CCW
Свободная скорость оборотов под нагрузкой: 18220 ±10% r/min
Проектная скорость: 13370 ±10% r/min
Нагруженный вращающий момент: 380g.cm
Нагруженное настоящее: 0.4A
Размеры мотора:

Рабочая характеристика мотора:

Высоковольтное решение мотора DC в экспертизе:
| Электрические инструменты | Полировщик, точильщик, метельщик лист, электрическая отвертка |
| Домочадец/товары широкого потребления | Модельные поезда, аксессуары игры, тележка гольфа, роботы домочадца, стул массажа, вентиляторы |