высоковольтный мотор щетки 230V для домашнего мотора механизма настройки радиопеленгатора Applicance
Основные особенности для мотора 51.8*85 щетки:
![]() |
Модель # | DC-9912 |
| Расклассифицированное напряжение тока | AC 230V | |
| Проектная скорость | 7500rpm ±10% | |
| Расклассифицированный вращающий момент | 140mN.m | |
| Расклассифицированное течение | 0.75A | |
| Вращать | CW или CCW | |
| Примечание | данные для ссылки только |
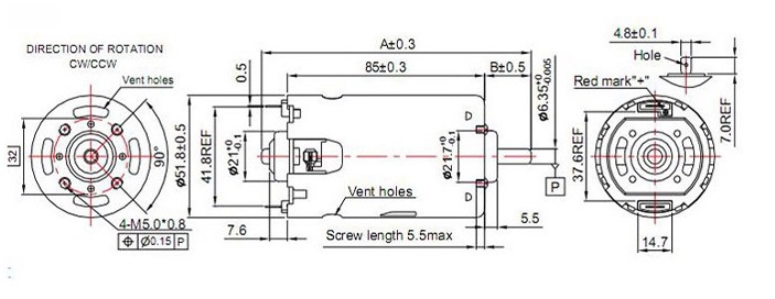
Чертеж плана (mm)


Варианты
Подгонянные размеры и материал вала
Нестандартная конструкция; Продукты OEM доступные
Secore обеспечивает широкий диапазон размеров для щетки и безщеточного мотора для различного жесткого etc окружающей среды, водоустойчивых, пылезащитных, взрывозащищенных.