35BYJ412P шаговый двигатель в основном используется для санитарных изделий. Термостатический клапан Скоростной горячий водопровод Автоматический контроль и регулирование температуры воды и потока воды, такие как Yuyubao.
В то же время он может реализовать другие области, которые требуют точного управления.Он широко используется в различных областях управления газом, клапаны очистителя воды, приборы и другие автоматические системы управления точностью.
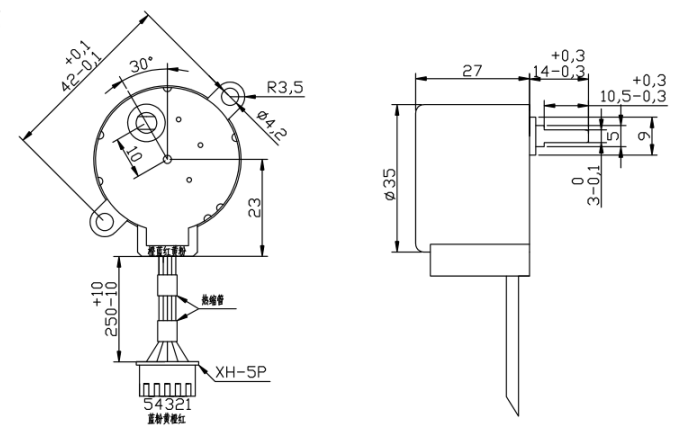
В то же время, внешняя часть проводки может использоваться в соответствии с требованиями заказчика для различных типов и длин соединительных линий, или FPC FFC.
Выходная часть может быть использована различными способами, такими как шестерени, шкивы, V-грывы и турбинные винты.
Наша команда имеет более чем 10-летний опыт разработки, разработки и производства шаговых двигателей, поэтому мы можем достичь разработки продукта и вспомогательного дизайна в соответствии со специальными потребностями клиентов!
Потребности клиентов - это наши усилия, пожалуйста, не стесняйтесь связаться с нами!
Форму крепления и угол выхода можно регулировать в соответствии с потребностями клиента!


Технические характеристики
Особенности применения
Включение клапана HVAC/RВозможности обмотки Биполярный
Принтеры, копировальные машины, хранилища данныхБез обслуживания - двигатель без щетки
Медицинское применение Анализаторы для отпуска таблетокЭффективность - компактный дизайн, более низкие затраты на интеграцию
Прочие отрасли и применения РоботикаЦифровое управление - легко использовать микропроцессор
Телекоммуникации Позиционирование антенн Коммутационные линии Управление открытой цепью - Нет необходимости в кодерах
Анализаторы слюны: 35 мм постоянный магнит редукции шаговый двигатель используется в различных анализаторах слюны. Они используются для точного и точного контроля движения образца и позиционирования.
Анализаторы крови: 35 мм постоянный магнит редукции шаговый мотор используется в различных анализаторах крови. Они используются для точного и точного контроля движения образца и позиционирования.
Сварные машины: 35 мм постоянный магнит сокращения шагового двигателя используется в различных сварочных машинах, включая дуговую сварку и точечную сварку.Они используются для точного и точного управления движением и расположением сварочной головки.
Продукты интеллектуальной безопасности: 35 мм постоянный магнит уменьшение шагового двигателя используется в различных интеллектуальных продуктов безопасности, включая камеры видеонаблюдения и системы контроля доступа.Они используются для точного и точного контроля движения камеры и позиционирования.
Сплисеры для синтеза волокон: 35 мм постоянный магнит сокращения шаговый мотор используется в различных сплисерах для синтеза волокон. Они используются для точного и точного управления движением волокон и позиционирования.
Цифровые электронные устройства: 35 мм постоянный магнит уменьшения шагового двигателя используется в различных цифровых электронных устройствах, включая принтеры и сканеры.Они используются для точного и точного управления движением и расположением головки принтера или сканера.
35 мм постоянный магнит уменьшение шаговый мотор является универсальным и мощным двигателем, который находит применение в различных отраслях промышленности и продуктов.и надежность делают его идеальным выбором для многих приложений, которые требуют точного и точного управления движением.
| Наименование продукта | Двигатель с шаговым приводом |
| Модель | 35BYJ412P |
| Сопротивление | 30 мΩ ± 10%/фаза |
|
Ток на фазу |
400 мА/фаза |
| Частота запуска без нагрузки | 350 pps |
| Частота ответа без нагрузки | 550 pps |
| Притягивающий момент | ≥ 150 мН.м |
| Сдерживающий момент | ≥ 50 мН.м |
| Прочность изоляции | 600 Вт переменного тока на одну секунду |
| Сопротивление изоляции | 10MΩ (DC 500 V) |
| Вес | 68 г |
| Диапазон рабочей температуры | -0 ~ + 45 °C |
| OEM и ODM услуги |
Доступно |
преимущества
Высокий крутящий момент: 35 мм постоянный магнит редукции шаговый мотор обеспечивает высокую производительность крутящего момента, что делает его идеальным для приложений, требующих высокой силы или мощности крутящего момента.
Высокая точность: 35 мм постоянный магнит редукции шаговой двигатель обеспечивает высокую точность управления движением, с точным позиционированием и повторяемым движением.Это делает его идеальным выбором для приложений, которые требуют точного и точного управления движением.
Низкие вибрации: 35 мм постоянный магнит уменьшения шаговый мотор производит очень мало вибраций, что делает его идеальным для приложений, которые требуют плавной и тихой работы.
Высокая надежность: 35 мм постоянный магнит редукции шаговый мотор является очень надежным, с длительным сроком службы и низким уровнем отказов.что делает его идеальным для использования в суровой среде..
Энергоэффективность: 35мм постоянный магнит редуктор шаговый двигатель является энергоэффективным, потребляет меньше энергии, чем другие типы двигателей.что делает его идеальным выбором для применений, требующих энергоэффективности..
Точное управление скоростью: 35 мм постоянный магнит редукции шаговой двигатель обеспечивает точное управление скоростью, что позволяет точное и повторяемое управление движением.Это делает его идеальным выбором для приложений, которые требуют точного регулирования скорости.
Тип соединения
Способ ввода двигателя с видом булавки, FPC, PCB, свинцовой проволокой и т.д.
Они могут быть настроены в соответствии с потребностями клиента.

Из вала стандарт, как следует, также может быть настроен из-за пользовательских чертежей
Добро пожаловать в службу поддержки клиентов для большего количества типов

Круглый тип: DIA3 мм. 4 мм. 5 мм.
Тип резки D: DIA3-D2.5 DIA4-D3 и т.д.
Тип винта: M3 M4 M5 серийный
Тип ловушки
I-резка Тип: DIA3-I2 DIA4-I3
Прочий тип: вал с отверстием и т.д.
На рисунке показаны обычные модели, а специальные размеры можно настроить.


