Наружный диаметр stepper мотора 20, stepper угол 15 градусов, части сделан прессформ точности, так по сравнению с подобными продуктами, этот продукт имеет преимущества ровного вращения, располагая вращающий момент, высокая эффективность и так далее
Кожух мотора и другие части металла полностью метод охраны окружающей среды пользы гальванизируя, возникновение восхитительны, можно использовать в окружающей среде относительно жесткое место


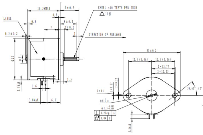
Электрическую часть входного сигнала можно использовать для того чтобы зондировать, кабель FPC, PCB FFC и другой путь.
Часть выхода может использовать оптически ось, с колесом паза колеса шестерни v и так далее
К тому же, установка может быть гибка согласно потребностям клиента!
Наша команда имеет больше многолетний опыт чем 10 в дизайне, развитии и продукции stepper мотора, поэтому мы можем начать и конструировать продукты согласно особенным потребностям клиентов!
Клиенту направление наших усилий, пожалуйста чувствует свободным контактировать!
Типичные применения
Медицинские инструменты
Аппаратура точности
Робот
Автоматизация фабрики
Игровой автомат
Оборудование ATM
Оборудование безопасностью
Спецификации
| Название продукта | мотор постоянного магнита 20 mm stepper | |||
| Модель | 20BY46-4 | |||
| Расклассифицированное напряжение тока | 10,2 v | |||
| Сопротивление катушки | ± 10% 80 Ω | |||
| Нет. участка | 2 участка | |||
| Угол шага | 15 градусов | |||
| Вращающий момент защелки | 30,0 gf-см максимального (никакой выходя 0 DC v) | |||
| Вращающий момент вырывания | 79 gf-см MIN. (НА 0 PPS, 10,2 DC v) | |||
| Максимальный. Начало частоты | 400 PPS MIN. (НА 10,2 DC v) | |||
| Максимальн Slewing Частота | 450 PPS MIN. (НА 10,2 DC v) | |||
| Класс изоляции | Класс e для катушек | |||
| Прочность изоляции | AC 600 v на одна секунда | |||
| Сопротивление изоляции | 500 MΩ (DC 100 V) | |||
| Температурная амплитуда рабочей температуры | -20~+70 ℃ | |||
| Вес | 28 g (REF.) | |||
| OEM & ОБСЛУЖИВАНИЕ ODM | ДОСТУПНЫЙ | |||
Конкурентное преимущество
Около порта Шанхая, движение очень удобно.

| Частота (pps) |
Вытяните внутри вращающий момент (gf-см) |
Вытяните вне вращающий момент (gf-см) |
||||||||||
| 50 | 61,3 | 66,3 | ||||||||||
| 100 | 55,4 | 55,6 | ||||||||||
| 150 | 52,8 | 53 | ||||||||||
| 200 | 47,2 | 48,2 | ||||||||||
| 250 | 41 | 42,7 | ||||||||||
| 300 | 35,3 | 36,7 | ||||||||||
| 350 | 28,1 | 30,5 | ||||||||||
| 400 | 24,4 | 25,3 | ||||||||||
Тип крышки приспособления
Регулярные модели показаны в диаграмме, и особенные размеры можно подгонять.

Метод ввода мотора с типом Pin, FPC, PCB, подводящим проводом etc.
Эти можно подгонять согласно потребностям клиента.


Время выполнения для образцов:
Стандартные моторы в запасе: в течение 3 дней
Стандартные моторы не в запасе: в течение 15 дней
Подгонянные продукты: Около 25~30 дней (основанных на сложности изготовления на заказ)
Время выполнения для построения новой прессформы: вообще около 45 дней
Время выполнения для массового производства: основанный на количестве заказа
Упаковка:
Образцы упакованы в губке пены с бумажной коробкой, погруженной срочным
Массовое производство, моторы упаковано в рифленых коробках с прозрачным фильмом снаружи. (грузящ самолетом)
Если погружено морским путем, продукт будет упакован на паллетах