VSM10-56.5L мотор точности микро- шагая. Выход преобразован в линейное движение штангой винта M3 для генерации тяги. Мы можем также подгонять соответствуя гайку, которую можно сразу использовать как привод для того чтобы осуществить действия необходимо клиентами.
Основной угол stepper мотора 18 градусов, мотор бежит 20 шагов неделя, поэтому разрешение смещения может достигнуть 0.025mm, для того чтобы достигнуть цели управления точности


| Название продукта | мотор постоянного магнита 10 mm stepper | |||
| Модель | SM10-56.5L | |||
| Расклассифицированное напряжение тока | 5V | |||
| Сопротивление катушки | 158Ω ± 10% | |||
| Нет. участка | 2 участка | |||
| Угол шага | 18 градусов | |||
| Вращающий момент защелки | 5,0 gf-см, на 500 pps | |||
| Вращающий момент вырывания | 6,0 gf-см, на 500 pps | |||
| Максимальный. Начало частоты | 1500 PPS MIN. (НА DC 5,0 v) | |||
| Максимальн Slewing Частота | 2000 PPS MIN. (НА DC 5,0 v) | |||
| Класс изоляции | Класс e для катушек | |||
| Прочность изоляции | AC 100 v на одна секунда | |||
| Сопротивление изоляции | 50 MΩ (DC 100 V) | |||
| Температурная амплитуда рабочей температуры | -15~+55 ℃ | |||
| Вес | 15 g (REF.) | |||
| OEM & ОБСЛУЖИВАНИЕ ODM | ДОСТУПНЫЙ | |||
Типичные применения
Медицинские инструменты
Аппаратура точности
Робот
Автоматизация фабрики
Игровой автомат
Оборудование ATM
Оборудование безопасностью
Конкурентное преимущество
Около порта Шанхая, движение очень удобно.
Регулярные модели показаны в диаграмме, и особенные размеры можно подгонять.

Метод ввода мотора с типом Pin, FPC, PCB, подводящим проводом etc.
Эти можно подгонять согласно потребностям клиента.

Techology Ltd. мотора Vic-техника Changzhou профессиональные изготовители и научного исследования, предназначенный в безщеточном развитии мотора, решениях применения мотора общих, и обработке и производстве мотора. Наша компания расположена в „городе китайского микро- мотора“ провинция Changzhou, Цзянсу. С красивым пейзажем и удобным движением, только 1 km далеко от скоростной дороги, 2 km далеко от железнодорожного вокзала, 15 km далеко от аэропорта. Changzhou между 2 cosmopolises, Шанхаем и Нанкин, только 100km далеко от обоих городов. Удобные снабжения и своевременная информация обеспечивают условия для нашего высокого эффективного и сытного обслуживания. Наша компания имеет опыт исследуя и превращаясь мотора над sereval десятилетиями, и мы имеем нашу собственную превращаясь команду с опытными профессиональными инженерами и электрическими специалистами. С емкостью конструировать новые продукты, обеспечить ralted решения основанные на требованиях к клиентов специфических (включая механическая структура, управление привода, параметры etc. мотора) в то же время, мы имеем изготовитель 4 в Шэньчжэне, Changzhou и Dongguan для произведения stepper моторов, моторов постоянн-магнита, микро- моторов, и моторов DC, и все них проходили ISO9001: международное удостоверение подлинности качественной системы 2008. Мы имеем достаточную возможность для ваших больших заказов.

Из-за своих небольшого размера, высокой точности, легких для того чтобы контролировать и другие превосходные особенности, так микро- stepper мотор используемый в быстром ходе управляя небольшими случаями нагрузки, как объективы фотоаппарата, оптические инструменты, объектив наблюдения,
Оборудование точности медицинское, автоматические замки и другие поля
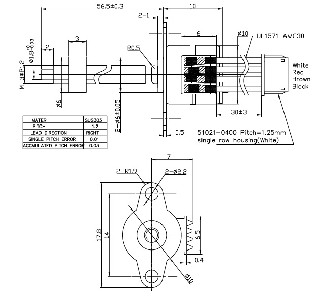
Значок части входного сигнала мотора для света, но может согласно покупательскому спросу можно изменить на кабель FPC, PCB и другие формы
В то же время мы можем завершить соответствуя управляющее устройство для того чтобы отвечать потребностямы клиента!
Наша команда имеет больше многолетний опыт чем 10 в дизайне, развитии и продукции микро- моторов, поэтому мы можем начать и конструировать продукты согласно особенным потребностям клиентов!
Клиенту направление наших усилий, пожалуйста чувствует свободным контактировать!