Мини бег хода диаметра 9mm 10mm через мотор вала stepper с винтом руководства
Этот линейный мотор SM10 мотор диаметра 10mm линейный stepper.
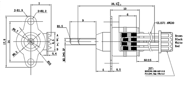
Винт руководства винт M2.3 с тангажом 0.3mm. (M2.3*P0.3)
Винт руководства специфически дизайн для этого продукта. (Нештатный винт руководства)
Расстояние перемещения около 9mm и вы не можете изменить свою длину, должную к особенному дизайну на винте руководства.
Длину винта руководства нельзя отрегулировать.
Тяга этого мотора над 200 граммами, и свои соответствующие для линейного движения на небольших размером с продуктах, для того чтобы снести 200 граммов нагружают.
Параметры:
| Модель нет. | SM10-linear |
| Тип мотора | Двухполярный stepper мотор |
| Диаметр мотора | 10mm |
| Участок нет. | 2 участка |
| Угол шага | 18°/step |
| Сопротивление катушки | 18Ω/phase |
| Толкните | 200~280 граммов |
| Расклассифицированное напряжение тока | DC 5 V |
| Ход (расстояние перемещения) | 9mm |
Чертеж дизайна:

Дисплей продукта:

О линейном stepper моторе:
Там различный дизайн:
Плененный вал (неподвижный вид): винт руководства не позволен закрутить, оно может только пойти вверх и вниз, делает движение линейного мотора.
Вал бега-throught (через идя вал): винт руководства может двинуть вверх и вниз закручивая. Когда винт руководства исправлен, не позволить вращать, винт руководства может двинуть вверх спуск, и работу как следует.
Внешний привод (с гайкой): Винт руководства исправлен, не может двинуть вверх и вниз, он может только закрутить, и гайка на винте руководства, который нужно двинуть вверх и вниз.
О винте руководства и длине шага:
Мы имеем 2 типа угла шага: 15°and 7.5°. Моторы с углом шага 15° предпринимают меры 24 для одного поворота, и моторы с углом шага 7.5° предпринимают меры 48 для поворота.
Мы имеем 3 типа руководства винта руководства, с одиночными началами начала/doule и 4 началами.
Тангаж это же: 0.6096mm
Lead=starts*pitch винта руководства
Для примеров, для винта руководства 2 начал, приведите 2*0.6096=1.2192mm
Длина шага мотора, винт руководства расстояния/гайка путешествует когда мотор предпринимает меры один.
Руководство/шаги винта length=lead шага мотора для каждого поворота
Для примеров, для винта руководства 2 начал, угол шага 7.5°,
Шаг length=lead/24=1.2192/24=0.0508mm/step
О тяге:
Тяга связана с частотой водителя и руководством винта руководства, stepper углом и размером мотора.
Размер больше мотора, тяга больше.
Ниже частота оно получают, что, едет на автомобиле поворачивает медленное, и тяга больше.
Более низкое руководство винта руководства, тяга больше.
7,5 градуса шагают угол будут иметь более высокую тягу сравненный до 15 градусов.
Применение stepper моторов:
Stepper моторы использованы для точного контроля, широко использованный на медицинском оборудовании, принтере 3D, промышленном точном контроле, оборудовании автоматизации, etc.
Stepper моторы можно использовать в любых conrtol требованию к механизмов точном и вращательном/линейном движении.
Преимущество stepper моторов:
Stepper мотор может достигнуть точный контроль даже без кодировщиков конц-петли/без системы питания назад, также почищенные щеткой они не имеет электрическое. Таким образом никакие электромагнитного вопросы взаимодействия и электрических искр. В некоторых случаях, они могут заменить DC почистили моторы щеткой моторов безщеточные.
Stepper моторы легки для того чтобы контролировать с водителями, и этой особенностью установить свое важное положение в поле точного контроля.
1. Точный контроль достижимый, programmable
2. Без электромагнитного взаимодействия & электрических искр
3. Небольшой размер
4. Умеренная цена
5. Малошумный
6. Длинный срок службы

Упаковывая и грузя информация:
Образцы упакованы с губкой пены внутри бумажной коробки.
Для массового производства, продукты упакованы в коробке бумаги.
Для доставки моря (массового производства), коробки упакованы на паллете.
Грузя время:
срочным (UPS/Federal Express TNT DHL): 5~12 дня
4PX срочным: 10~20 дней
Доставка моря: 40~60 дней (зависит от различных стран)