Термостатический мотор редуктора премьер-министра большой тяги управлением TRV клапана радиатора линейный stepper
Описание:
Этот мотор SM25-412L имеет коробку передач коэффициента шестерни 10:1 внутрь, таким образом своя сила нажатия большие сравненная к другим (о 70N, 7KG тяги)
Этот мотор очень обыкновенно использован в TRV (термостатическом клапане радиатора) и управлении клапана.
Низкооборотное и большая тяга очень соответствующие для управления клапана или подобных применений.
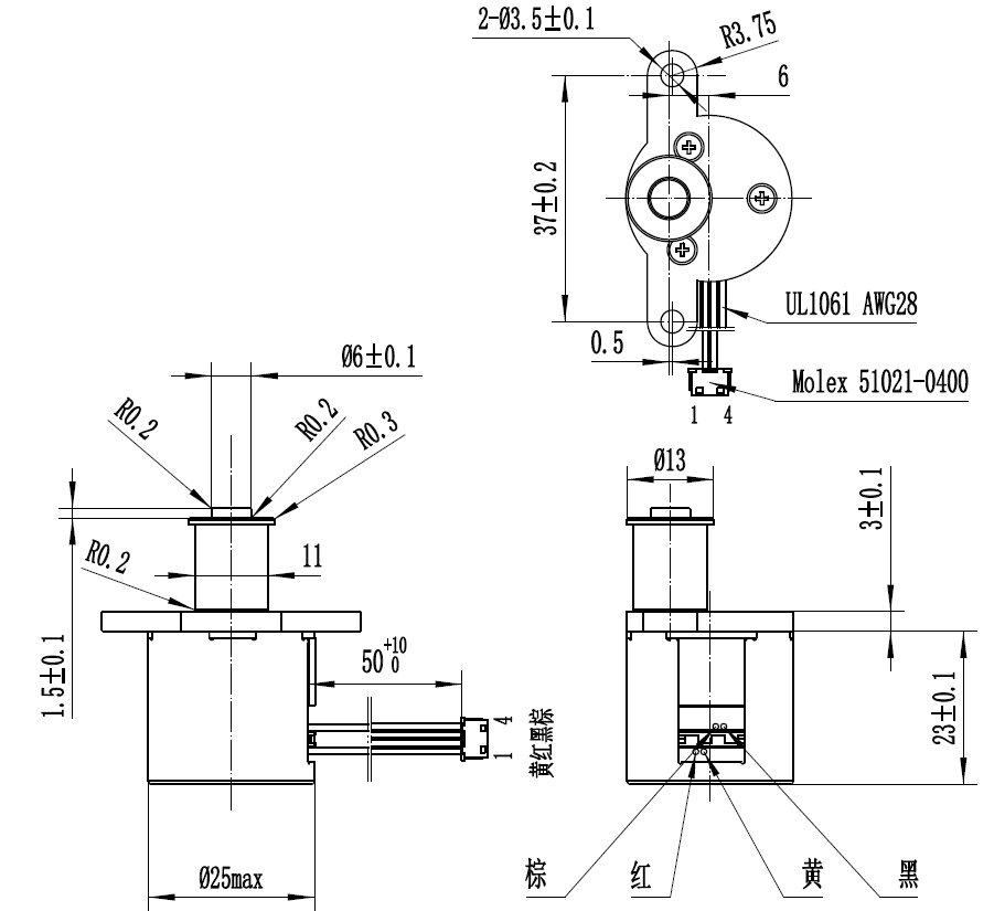
О дизайне этого мотора, 2 отверстия на крышке мотора (используемой как отверстия установки), и расстояние отверстия 37mm, и мы также имеем версию 31 mm.
Этот мотор прикреплен с соединителем тангажа 1.25mm (Molex 51021-0400)
Параметры:
| Модель нет. | SM25-412L-11L |
| Тип катушки | Двухполярный |
| Участок нет. | 2 участка (4 провода) |
| Сопротивление | 5Ω/phase |
| Угол шага | 7.5° |
| Коэффициент шестерни | 10:1 |
| Ход | 5mm |
| Сила нажатия | 70N (7KG) |
| Перемещение в шаг | шаг 0.002mm/ |
| Управлять напряжением тока | DC 2.2V~3.4V |
Чертеж дизайна:

Дисплей продукта:

Применение stepper моторов:
Stepper моторы использованы для точного контроля, широко использованный на медицинском оборудовании, принтере 3D, промышленном точном контроле, оборудовании автоматизации, etc.
Stepper моторы можно использовать в любых conrtol требованию к механизмов точном и вращательном/линейном движении.
Преимущество stepper моторов:
Stepper мотор может достигнуть точный контроль даже без кодировщиков конц-петли/без системы питания назад, также почищенные щеткой они не имеет электрическое. Таким образом никакие электромагнитного вопросы взаимодействия и электрических искр. В некоторых случаях, они могут заменить DC почистили моторы щеткой моторов безщеточные.
Stepper моторы легки для того чтобы контролировать с водителями, и этой особенностью установить свое важное положение в поле точного контроля.
1. Точный контроль достижимый, programmable
2. Без электромагнитного взаимодействия & электрических искр
3. Небольшой размер
4. Умеренная цена
5. Малошумный
6. Длинный срок службы
