SM10-56.5L мотор точности линейный шагая, который был использован в медицинском оборудовании, принтерах, блоках развертки, автомобильных аппаратурах, системах безопасности, электронных замках, etc.
Мини тело, 3N толкнуло, ход 56.5mm, смещение 0.067mm в шаг, и может быть завершено в как немного как 1 во-вторых.
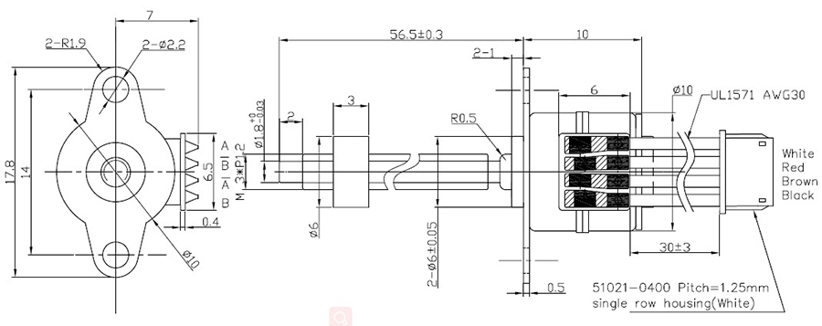
Часть входного сигнала мотора прошивочный провод, но ее можно изменить в форму иглы прошивочного провода, FPC, etc. согласно потребностям клиента.
Длину винта руководства мотора можно подгонять согласно потребностям клиента
лист параметра stepper мотора 10mm микро-:
| Название продукта | МОТОР 10 MM МИКРО- STEPPER |
| Модель | SM10-56.5L |
| Расклассифицированное напряжение тока | DC 5V |
| Течение в участок | 270mA/участок |
| Участки No.of | 2 - участок |
| Угол шага | 18°/Step |
| Частота Max.starting | 1000 PPS MIN. (НА DC 5,0 v) |
| Частота Max.slewing | 1500 PPS MIN. (НА DC 5,0 v) |
| Вытяните внутри вращающий момент | 5 gf-см MIN. (НА DC 500 PPS, 5.0V) |
| Pulll вращающий момент вне | 6 gf-см MIN. (НА DC 500 PPS, 5.0V) |
| Класс изоляции | Класс e для катушек |
| Прочность изоляции | ac 100 v на одна секунда |
| Reststance Insulaton | DC 500 V 50 M |
| Rance рабочей температуры | -0~+55℃ |

мотор 10mm микро- stepper вне чертежа:

Мотор мотора премьер-министра микро- 5v 10mm диаметра 10BY мини stepper шагая


Этот мотор главным образом использован в камерах, объективах, оптических инструментах и других полях, с небольшим размером и точным контролем. Клиенты могут подгонять сопротивление мотора, размер установки, форму выхода и размер. Для особенных случаев, планетарной коробке передач можно соответствовать мотору для того чтобы получить высокий вращающий момент на малой скорости.
Потребности клиентов направление мы должны стремиться для, и отвечать потребностямы клиентов наше самое высокое преследование. Пожалуйста держите в контакте с нами.