XY моторизованный этап PT-XY2560 двойной оси линейный
Эксплуатационные характеристики продукта:
Стандартная конфигурация мотор шага 28 и интерфейс RS232, который можно автоматического управления режим используя регулятор движения компании независимо начатый;
Структура продукта компактна и облегченна, соответствующая для пользы под легкими нагрузками, малыми скоростями, повторенными развертками, и научными экспериментами;
Точность меля привод винта руководства TBI, небольшое руководство, такая же мелкость может достигнуть высокого разрешения;
Изобретательный дизайн структуры пустой гайки исключения может уменьшить зазор меля пар винта руководства к z небольшому;
Ведущий брус ролика креста точности THK, удобное движение, с боковой регулировкой поджатия ведущего бруса и функций исключения зазора;
Точный молоть коробочного щитка электрической двигая таблицы и разумного фиксируя метода ведущего бруса значительно уменьшить тангаж и рыскание электрической двигая таблицы, и значительно улучшить прямоту и параллелизм движения
Неубедительный дизайн в середине платформы учитывает размещение источников света и светлой передачи;
Высокая долговечность изделия, движение X-оси причаливая 6,6 миллиона временам (внутри ряд перемещения); Движение Y-osи близко к 2,6 миллиона временам (внутри ряд перемещения);
Характеристики движения платформы: X-ось - небольшое движение хода (0.35mm), быстрые начало и стоп; Y-osь - небольшое движение хода (0.25mm), начало зазора и стоп;
XY моторизованная техническая характеристика изделия этапа двойной оси линейная:
| Номер модели | PT-XY2560 | |
|
Структура Описание |
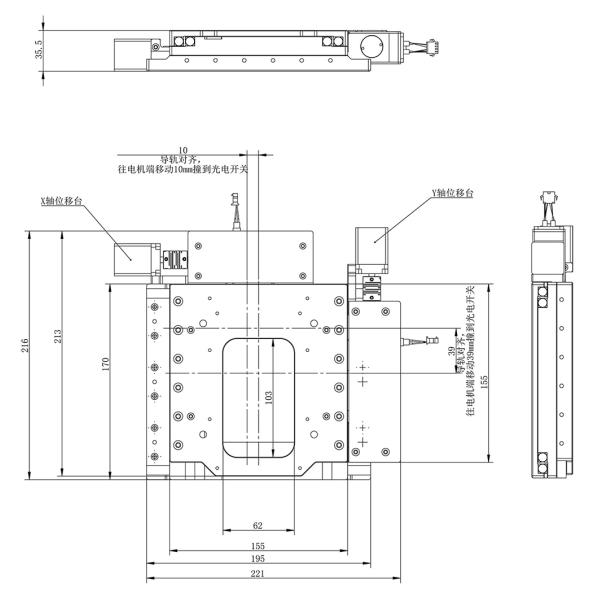
X, перемещение Y-osи | 25*60mm |
| Размер платформы | 170*155mm | |
| Толщина платформы | 35.5mm | |
| Спецификация винта | Винт шарика высокой точности (руководство 1 mm) | |
| Проводник | Перекрестный рельс ролика | |
| Шагая мотор (° 1,8) | Stepper мотор 28 | |
| Главный материал | Алюминиевый сплав | |
| Поверхностное покрытие | Черно-анодированный | |
| Емкость нагрузки | 2Kg | |
| Вес | 2.5Kg | |
|
Точность Описание |
Разрешение дизайна | 5μm (водитель Не-MS) |
| Максимальная скорость | 5mm/s | |
| Минимальное расстояние движения | 0.0025mm/Pulse | |
| Повторимость | 3μm | |
| Абсолютная точность | 10μm | |
| Прямота | 20μm | |
| Плоскостность | 10um | |
| Параллелизм движения | 30μm | |
| Засмолка | 30μm (перемещение 50mm) | |
| Проводить разворот по курсу | 30μm (50mmTravel) | |
| Отрицательная реакция | 5μm | |
| Потерянное движение | Никакой | |



F&Q
Q: Вы торговая компания или изготовитель?
: Мы фабрика.
Q: Сколько времени ваш срок поставки?
: Если товары в запасе, то он обычно принимает 5 дней. Или 15-20 дней, в зависимости от количества если товары нет в запасе.
Q: Вы обеспечиваете образцы? Он свободно или дополнительные?
: Да, мы можем обеспечить образцы для испытывать, но вам нужно оплатить цены гонорара и доставки образца.
Q: Что ваши условия платежа?
: Payment=$2000<>, 50% заранее, баланс установленный перед пересылкой.