Этап ручной XY комбинации 2 осей линейный протягивая таблицу с запирать
Меры предосторожности для пользы ручного линейного этапа
Независимо от того, какой вроде продукты таблицы перевода, они все производственное оборудование точности вспомогательное. Только путем оплачивать больше внимания во время пользы может оборудование иметь лучшее влияние пользы и более длинный срок службы.
Для аппаратуры точности как таблица ручного перевода, внимание должно быть обращено обычные обслуживание и ремонт, и найденные проблемы должны быть разрешены во времени. Прежде чем таблица ручного перевода официально использована и приведена в действие дальше, она должна иметь основное понимание ее. После проверки некоторых частей которые могут иметь проблемы и обеспечение что продукт нормален, его можно привести в действие дальше для пользы.
После того как продукт таблицы перевода использован, внимание оплаты для проверки ли любые остальные проблемы, и проводит обслуживание на регулярной основе. Даже если вы не находите никакая ненормальность в продукте таблицы ручного перевода Шанхая во время нормальной пользы, вы должны также регулярно ремонтировать его.
зона применения
Оптически измерение, настраивая смещение, визуальное выравнивание, цифровое изображение, аппаратуры и метры, механическое оборудование, медицинское оборудование, производство полупроводника, производство прессформы, механический gripper, гравировальный станок, печатную машину, машину выпуска облигаций, принтер 3D, автомат питания, etc.
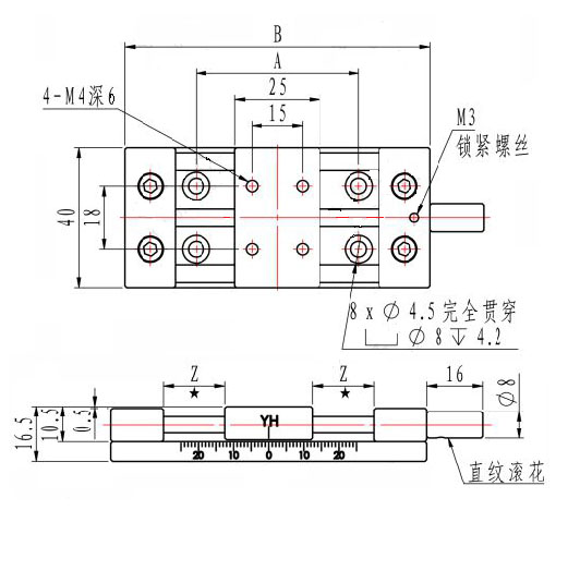
Техническая характеристика изделия:
| Номер модели | PT-SD35 | PT-SD65 | PT-SD95 |
| Размер платформы (mm) | 40×25 | 40×25 | 40×25 |
| Отключение (mm) | 35 | 65 | 95 |
| Смещение ручки одним поворотом | 0.8mm | 0.8mm | 0.8mm |
| Емкость нагрузки (kgf) | 4 | 4 | 3 |
| Вес (g) | 160 | 180 | 210 |
Размер продукта:
| Номер модели | Размер платформы | Максимальный ход | Z (mm) | (Mm) | B (mm) | Горизонтальная нагрузка (n) | Вес (g) |
| PT-SD35 | 40×25 | 35 | 17,5 | 48 | 90 | 39,2 | 160 |
| PT-SD65 | 65 | 32,5 | 78 | 120 | 39,2 | 180 | |
| PT-SD95 | 95 | 47,5 | 108 | 150 | 29,4 | 210 |
