Большинств популярный инвертор привода силы Sg600 220v 2.2kw 380v 4kw Mppt солнечный Vfd в Индии
солнечная система инвертора регулятора
Солнечный инвертор насоса получает постояннотоковую энергию от фотогальванических элементов, и преобразовывает его в электрическую энергию для того чтобы управлять водяной помпой. Согласно интенсивности солнечного света, примите пользу алгоритма MPPT, инвертор регулирует частоту выхода для того чтобы сделать максимальную пользу солнечной энергии.
солнечный инвертор насоса вносит вклад в благоприятное для экологии общество, с длинной служа жизнью и низкими расходами на техническое обслуживание. Автоматическая функция начала и стопа согласно солнечному свету вместе с встроенным MPPT увеличивает рабочие часы и подачу воды выхода. Инвертор отличает полными функциями защиты, как обнаружение пробного прогона, будет идеальным решением для солнечной насосной системы.

Солнечные особенности инвертора VFD:
2. Предварительная динамическая функция MPPT, эффективность >99%; широкий диапазон рядов ввода напряжения MPPT;
3. Compatiable с двойной потребляемой мощностью, признавает входной сигнал ac и dc в таком же времени;
8. Управление полностью автоматической деятельности, автоматическое начало и стоп когда сила дальше.
Скрутите шаги
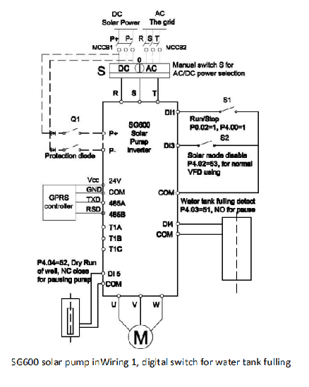
Принятый входной сигнал двойного режима силы AC/DC соединяясь.
Потребитель может способный для установки коммутации силы к выбору который потребляемая мощность режима как условия.
1. связывать проволокой P+ и P- солнечной энергии DC к терминалам r, t, или кабелям 1/3 участков электропитания AC к r, t (r, s, t) инвертора. Подключите 1 входной сигнал l AC участка 220VAC, терминалы n к r и t инвертора.
2. Построенный переключателю S1 бега/стопа, который нужно начать нагнести устанавливая P0.02 для 1, этот инвертор работает в режиме контроля терминалов. Этот инвертор может достигнуть автоматического начала на утре когда радиация света солнца хороший, автоматический стоп когда заход солнца когда радиация солнечного света низка.
3. Построил переключатель 2 для того чтобы вывести солнечный режим контроля из строя насоса соединяя входной сигнал решетки AC.
Инвертор можно использовать для привода переменной скорости (VFD) для насосов быстро проходит регулировать как потребность
Частота выхода может быть отрегулирована установкой режима ссылки частоты P0-03.
Функция MPPT закрыта когда поверните переключатель 2 и набор P4.02=53.
Солнечная функция режима контроля насоса также может быть отключением параметрами устанавливая PE00=0.
4. Соедините 2 провода датчика шарика поплавка с DI4 и COM для обнаруживать fulling цистерны с водой ровный, и набора P4.03=51 (шарика поплавка ОТСУТСТВИЕ сигнала тревоги реле). Когда уровень воды достиг к датчику обнаруживая, будет активирован нормальный не раскрывает (НИКАКОЙ) пункт реле, inveretr останавливает нагнести, и отправило сигнал тревоги A.FuL.
5. Соедините 2 провода датчика датчика пробного прогона колодца с DI5 и GND, и набор F4.04=52 (сигнал тревоги реле NC пробного прогона).
Оно будет отправленный сигнал тревоги A.LLd и остановить нагнести когда недостаток воды в колодце для предохранения от пробного прогона.
