Блок тарировки углерода стальной 1018 IIW V2 БЛОКА ТАРИРОВКИ детектора рванины NDT ультразвуковой
Стандарт: ISO7963-2010
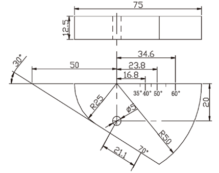
Блок теста IIW2 (блок теста V-2) стандартный блок теста одобренный международным сваривая обществом. V-2 (DIN54122) сравненное с блоком теста IIW, блоком теста V-2 имеет преимущества облегченного и легкий для того чтобы снести, особенно соответствующие для пользы поля. См. диаграмму 1-2.
Сути проблемы пользы:
(1) допустимый предел пункта и чувствительности случая склонного зонда был измерен путем использование поверхности отражения дуги с радиусом R50mm;
(2) используя поверхность отражения отверстия 5 пропусков, ряд рефракции зонда наклона 45°-65° и 65°-75°, соответственно.
(3) горизонтальные и вертикальные линеарности детектора рванины могут быть измерены путем использование множественных отражений p-волны дна с толщиной 12.5mm;
(4) 2 поверхности дуги, R25 и R50, использованы для того чтобы исправить ось времени и нул пунктов.


