Ультразвуковые расстояние блоков теста DSC блоков тарировки детектора рванины и блок тарировки чувствительности
Расстояние DSC и блок тарировки чувствительности
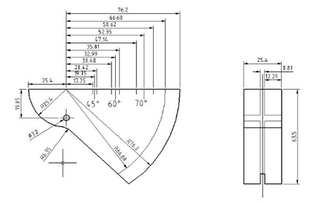
Стандарт: ASTM E 164-2013
Блок DSC
типа AWS блок используемый для расстояния волны ножниц и тарировки чувствительности.
Содержит 1,0" радиус напротив 3,0" радиус. 3,0" радиус включает
a .375" глубоко x .032" широкий radiused слот. Также содержит контрольную точку 0°
для проверки точки выхода на клине, и .125" диаметр через отверстие и
соответствуя рефрагированные маркировки на 45°, 60 и 70° для измерять фактическое
угол. В соответствии с ASTM E164 и AWS 6,16. 1B.
Размеры: 1. 0" толщиной. Метрическая версия доступная.
