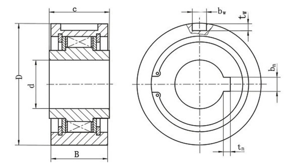
Типы GFR, GFRN тип ролика freewheels. Они носить поддержанный, используя 2 160. подшипники серии, и требовать смазки масла. Эти блоки могут быть использованы в дизайнах предусматривая смазку масла и герметизируя как на примере overleaf. Подшипники необходимо осев усилить.
Типично, типы GFR, GFRN использованы с крышками серии f которые конструированы для того чтобы передать вращающий момент, и предусматривают смазку и герметизировать масла. Обычно эти крышки использованы в парах согласно комбинациям показанным на следующих страницах. Наружная гонка модели GFR проста для того чтобы получить и центризовать любой компонент пробуренный к допуску H7.
Вращающий момент передан болтами через нажимную накладку в этом случае. Типы GFR, GFRN идентичны за исключением того, что тип GFRN имеет шпоночное соединение на внешнем диаметре для того чтобы передать вращающий момент. 2 бумажных уплотнения поставлены с каждым блоком, который нужно поместить между наружными гонкой и нажимными накладками.

| Модель | Номинальный вращающий момент | Переливающся через край ограничиваясь скорость (r/min) | Размер [mm] | Подшипник | Вес | ||||||
| Наружная гонка | Внутренняя гонка | ||||||||||
| [N.m] | Внутренняя гонка | Наружная гонка | D [h7] | B | bwxtw | d [h7] | C | bnxtn | [kg] | ||
| CK-A1542 | 54 | 1750 | 500 | 42 | 23 | 3x1.8 | 15 | 24 | 3x1.4 | 6302 | 0,17 | 
| CK-A1747 | 75 | 1575 | 400 | 47 | 23 | 3x1.8 | 17 | 24 | 3x1.4 | 6304 | 0,21 | 
| CK-A2052 | 95 | 1400 | 400 | 52 | 23 | 3x1.8 | 20 | 24 | 3x1.4 | 6305 | 0,25 | 
| CK-A2562 | 145 | 1260 | 350 | 62 | 23 | 4x2.5 | 25 | 24 | 4x1.8 | 6306 | 0,35 | 
| CK-A3072 | 208 | 1050 | 300 | 72 | 23 | 5x3.0 | 30 | 24 | 5x2.3 | 6307 | 0,47 | 
| CK-A3580 | 340 | 815 | 200 | 80 | 28 | 8x4.0 | 35 | 30 | 6x2.8 | 6308 | 0,69 | 
| CK-A4090 | 462 | 700 | 200 | 90 | 28 | 8x4.0 | 40 | 30 | 6x2.8 | 6309 | 0,87 | 
| CK-A45100 | 783 | 560 | 200 | 100 | 28 | 8x4.0 | 45 | 30 | 6x2.8 | 6310 | 1,07 | 
| CK-A50110 | 850 | 525 | 180 | 110 | 28 | 10x5.0 | 50 | 30 | 8x3.3 | 6311 | 1,59 | 
| CK-A60130 | 1050 | 490 | 180 | 130 | 34 | 10x5.0 | 60 | 36 | 8x3.3 | 6312 | 2,16 | 
| CK-A65140 | 1224 | 490 | 180 | 140 | 34 | 10x5.0 | 65 | 36 | 10x3.3 | 6313 | 2,49 | 
| CK-A70150 | 1850 | 455 | 150 | 150 | 40 | 10x5.0 | 70 | 42 | 10x3.3 | 6314 | 3,36 | 
| CK-A75160 | 2140 | 455 | 150 | 160 | 40 | 12x5.0 | 75 | 42 | 12x3.3 | 6315 | 3,81 | 
| CK-A80170 | 2450 | 420 | 150 | 170 | 40 | 12x5.0 | 80 | 42 | 12x3.3 | 6316 | 4,29 | 
| CK-A1250 | 31,5 | 1750 | 400 | 50 | 22 | 3x1.8 | 12 | 24 | 3x1.4 | 0,24 | |
| CK-A1855 | 50,0 | 1575 | 350 | 55 | 22 | 4x2.5 | 18 | 24 | 4x1.8 | 0,28 | |
| CK-A2060 | 63,0 | 1600 | 350 | 60 | 22 | 6x3.5 | 20 | 24 | 6x2.8 | 0,33 | |
| CK-A2563 | 100 | 1260 | 350 | 63 | 24 | 6x3.5 | 25 | 26 | 6x2.8 | 0,37 | |
| CK-A2563T | 140 | 1260 | 350 | 63 | 30 | 6x3.5 | 25 | 32 | 8x3.3 | 0,68 | |
| CK-A2870 | 180 | 1050 | 300 | 70 | 30 | 8x4.0 | 28 | 32 | 8x3.3 | 0,60 | |
| CK-A3080T | 340 | 875 | 200 | 80 | 30 | 8x4.0 | 30 | 32 | 8x3.3 | 0,75 | |
| CK-A3585 | 400 | 815 | 200 | 85 | 30 | 8x4.0 | 35 | 32 | 8x3.3 | 1,00 | |
| CK-A35100 | 780 | 875 | 200 | 100 | 32 | 10x5.0 | 35 | 34 | 10x3.3 | 1,34 | |
| CK-A35140 | 1000 | 490 | 180 | 140 | 35 | 8x4.0 | 35 | 35 | 10x3.5 | 3,28 | |
| CK-A40100 | 780 | 560 | 200 | 100 | 34 | 10x5.0 | 40 | 34 | 10x3.3 | 1,20 | |
| CK-A40110 | 850 | 700 | 180 | 110 | 32 | 10x5.0 | 40 | 34 | 10x3.3 | 1,19 | |
| CK-A50125 | 1000 | 490 | 180 | 125 | 36 | 14x5.5 | 50 | 35 | 14x3.8 | 2,21 | |
| CK-A50130 | 1050 | 560 | 180 | 130 | 36 | 14x5.5 | 50 | 38 | 14x3.8 | 3,02 | |
| CK-A55160 | 2000 | 455 | 150 | 160 | 52 | 16x6.0 | 55 | 55 | 16x4.3 | 6,96 | |
| CK-A58130 | 1050 | 490 | 180 | 130 | 36 | 14x5.5 | 58 | 38 | 14x3.8 | 2,60 | |
| CK-A60180 | 2000 | 420 | 140 | 180 | 52 | 18x6.0 | 60 | 52 | 18x4.4 | 7,40 | |

Изображение: (вычерченная муфта ролика иглы чашки)


Наш каталог подшипника ролика иглы
Цилиндрический подшипник ролика
Автозапчасти
Подшипники автомобиля
Кольцо подшипника внутреннее
Подшипник муфты
Совмещенный подшипник ролика иглы
Совмещенный подшипник ролика иглы с внутренним кольцом
Подшипники ролика кривой
Цилиндрические подшипники ролика с пружинным кольцом
Цилиндрические подшипники ролика с пружинным кольцом Groores
Вычерченный подшипник ролика иглы чашки со стопорным устройством
Вычерченный подшипник ролика иглы чашки с кольцом
Вычерченный подшипник ролика иглы чашки с кольцом уплотнения
Вычерченная муфта ролика иглы чашки
Вычерченные подшипники ролика иглы полного дополнения чашки
Вычерченный подшипник ролика иглы чашки
Вычерченное собрание муфты ролика иглы чашки
Подшипники ролика полного дополнения цилиндрические
Полный подшипник ролика иглы Coplement с или без внутреннего кольца
Подшипник для работы в тяжелых условиях
Кольцо подшипника иглы внутреннее
Изготовитель подшипника иглы
Собрания ролика и клетки иглы
Подшипник ролика иглы
Подшипник ролика иглы без внутреннего кольца
Ролик иглы без плеча и внутреннего кольца
Ролик иглы без плеча и с внутренним кольцом
Отсутствие собраний ролика и клетки плиты воротника
Нештатные подшипники
Одна муфта пути
Односторонний подшипник ролика иглы
Переливаться через край муфта
Радиальные собрания ролика и клетки иглы
Собрания ролика и клетки иглы Штанг-пользы
Штыри ролика
Подшипники Rollering
Подшипник ролика иглы кольца уплотнения с внутренним кольцом или без внутреннего кольца
Загерметизированные подшипники ролика иглы
Кольцо места
Само-выравнивая подшипник иглы
Кольцо вала
Твердый подшипник ролика иглы воротника
Тип односторонняя муфта подшашки
Подшипники поддерживая ролика
Толкнутый шарикоподшипник с плоским местом
Толкнутые цилиндрические собрания ролика и клетки усаживают кольцо вала кольца
Толкните подшипники ролика иглы
Шайба тяги etc.