Всеобщая светоэлектрическая рабочая температура -40-+100℃ диаметра 8мм вала кодировщика С50
О нашей фабрике
Каталог продукции
Если вы уже выбирали модель, то кодировщика вы идете приказать, угодить отправьте нас по электронной почте сразу или свяжитесь онлайновая служба прямо сейчас для того чтобы получить самый последний каталог.
Но если вы все еще, то имейте все сомнения на выборе правого номера модели кодировщика, вас также свободен связаться мы для того чтобы получить родственный каталог.
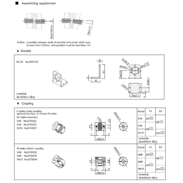
Таблица параметра для серии С50
| Детали | Основные параметры |
| Бренд | ХЭНГСИАНГ |
| Тип кодировщика | Дифференциальный кодировщик |
| Внешний диаметр | 50мм |
| Толщина | 30мм |
| Длина вала | 16мм |
| Твердый диаметр вала | 8мм (форма д) |
| Разрешение | 50; 60; 100; 200; 250; 256; 300; 360; 400; 450; 500; 512; 600; |
| 700; 720; 800; 900; 1000; 1024; 1200; 2000; 2048; 2500; 5000 | |
| 8192; 10000; 11520; 16384; 20000; 23040 | |
| Участок выхода | Участок А+, Б+, З- З+ а Б- |
| Подача напряжения | ДК5В; ДК8-30В |
| Тип выхода | Кабель вне от стороны |
| Кабель вне от задней части | |
| Гнездо вне от задней части | |
| Режим выхода | НПН&ПНП |
| Выход напряжения тока | |
| Пушпульный выход | |
| Выведенная наружу разница (ТТЛ, ХТЛ, РС422) | |
| Экологическая температура | Рабочая температура: -20~+90° (не морозить) |
| Температура хранения: -25~+100° (не морозить) | |
| Экологическая гуманность | Оператинг и хранение: 35~85%РХ (не-конденсировать) |
| Ранг защиты | ИП50; ИП65 |
Перо твердого кодировщика вала С50
Экологическая температура: Работать: - 20 ~+90°; хранение: - напряжение тока 25 ~+100°Лоад: ≤ДК30В
начало вращающего момента: чем 5С10-3 Н.м
Момент Интертя: чем 3кс 10-6кг.м2
Нагрузка вала: Радиальное 40Н; Осевое 20Н
Верхняя часть РЭВ: 5000РПМ; ИП65≤3000р рпм
Материал вала: Нержавеющая сталь
Длина кабеля: 1000мм (кабель с защищать)
Чистый вес: О 190г (с пакетом)
Дата продукции
1. для 1-10 образцов: 3-5 рабочих дней
2. для массового производства 20-50: 7-10 рабочих дней
3. для излишек 100пкс, продукция будет обсужена с клиентами и кораблем в срок

вопросы и ответы
К: Как выбрать правую модель кодировщика?
А: Правая модель кодировщика основана на различных применениях и параметры, вы смогли связаться мы для службы технической поддержки если вы имеете любой запрос.
К: Вы предлагаете службу технической поддержки?
А: Да, мы имеем профессионального техника который может разрешить все ваши сомнения.
К: Можете вы фабрика предложить образец?
А: Да, образец можно обеспечить.
К: Какие параметры спрошены перед приказывать кодировщик?
А: Вы должны получить некоторые основные параметры прежде чем вы начинаете приказать. Как размеры установки, разрешения, сигнал цепи, напряжение тока электропитания, етк.
Если вы имеете любое сомнение на выбирать модель, то вы радушны для того чтобы связаться мы для ассистентского.
К: Где ваша фабрика?
А: Наша фабрика расположена на городе Шанхая.
К: Могу я оплатить посещение к вашей фабрике?
А: Да, вы мы приветствуем для того чтобы посетить нашу фабрику в любое время если удобный.
К: Сколько времени ваш срок поставки?
А: Обычно 3 рабочего дня для образца, 7-15 дней для массового производства,
Дата продукции согласно количеству заказа.
К: Что самое высокое разрешение ваших продуктов кодировщика?
А: Самое высокое разрешение 80000ппр, вы может отправить нас по электронной почте для больше информации.