Наружный кодировщик вала S50 диаметра 50mm твердый с разрешением NPN гнезда 2500 вывел наружу кодировщик NOC-S1024-2MD
Главные особенности кодировщика серии S50 роторного
Носок (вытерпите): 490m/s2, госпожа 11 три раза для x, y, направление z индивидуально
Материал вала: Нержавеющая сталь
Материал раковины: умирает литой алюминий
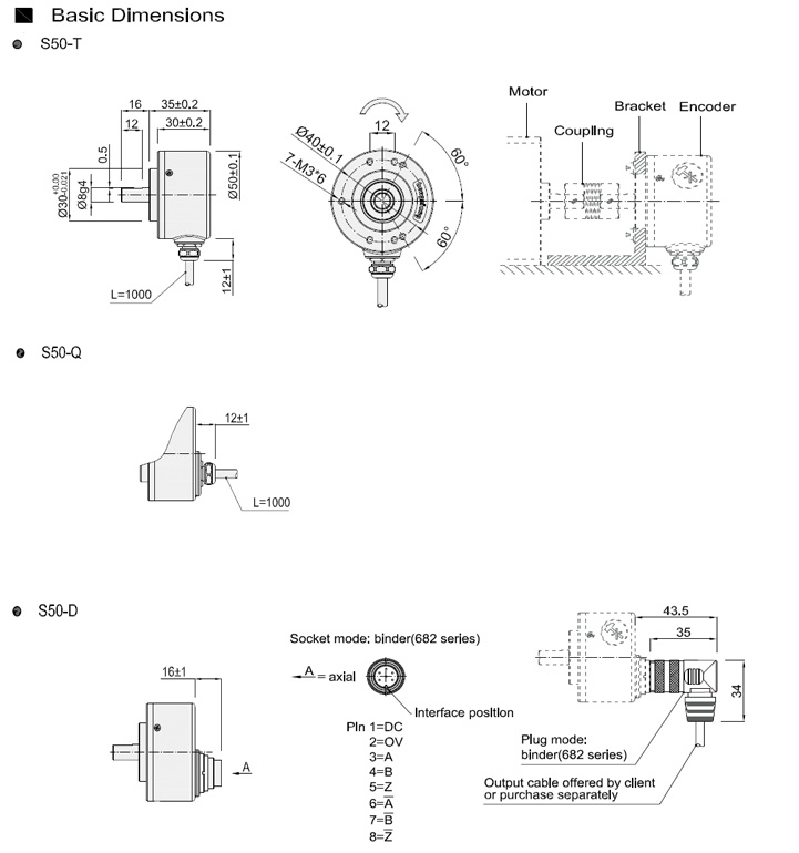
Длина вала: 16mm
GND: не соединиться с кодировщиком
Длина кабеля: 1000mm (кабель с защищать)
Пакет: Коробка коробки
Твердый диаметр вала: 8mm (форма d)
Внедрение продукции
| Детали | Основные параметры |
| Бренд | HENGXIANG |
| Тип кодировщика | Дифференциальный кодировщик |
| Внешний диаметр | 50mm |
| Толщина | 30mm |
| Длина вала | 16mm |
| Твердый диаметр вала | 8mm (форма d) |
| Экологическая гуманность | Работать и хранение: 35~85%RH (не-конденсировать) |
| Ранг защиты | IP50; IP65 |
| Длина кабеля | 1M (длина кабеля смогла быть добавлена соотвественно мимо |
| требуйте, но для этого нужна оплата индивидуально) | |
| Потребление настоящее | 100mA МАКС |
| Верхняя частота ответа | 300KHZ |
| Позволяемая пульсация | ≤3%rms |
| Напряжение на зажимах | ≤DC30V |
| начало вращающего момента | чем 5X10-3 N.m |
| Разрешение | 50; 60; 100; 200; 250; 256; 300; 360; 400; 450; 500; 512; 600; |
| 700; 720; 800; 900; 1000; 1024; 1200; 2000; 2048; 2500; 5000 | |
| 8192; 10000; 11520; 16384; 20000; 23040 | |
| Участок выхода | Участок A+, B+, Z- Z+ a B- |
| Подача напряжения | DC5V; DC8-30V |
| Тип выхода | Кабель вне от стороны |
| Кабель вне от задней части | |
| Гнездо вне от задней части |

Наше обслуживание
ТЕОРИЯ ТЕХНОЛОГИИ КОДИРОВЩИКА
Дифференциальный кодировщик выводит наружу определенное количество ИМПов ульс в революцию, так, что будет ожидано, что находился каждый ИМП ульс на определенном механическом положении. Максимальное отклонение между этим идеальным положением и действительным местом вызвано объединенными не линеарностями (INL). Точность INL важное значение если дифференциальный кодировщик использован для располагать задачи.
Круг обязаностей описывает коэффициент между «высоким» временем к «низкому» времени дифференциального кодировщика. Типично этот коэффициент 50/50, которое соответствующее к низкому уровню высокого и 180 el° el° 180.
Проведение магнитных дифференциальных повышений кодировщиков с более высокими установками PPR и более высокими скоростями вращения (RPM). Это в отличие от оптически кодировщиков где представление уменьшает. Точность DNL и INL которая заявлена в наших схемах данных значения наихудшего случая, лучшее представление можно предполагать для более высокого PPR и RPM.
Это максимальная частота что кодировщик может вывести наружу через линии выхода.
Например, частота кодировщика 1024 PPR который вращает на 600 RPM 200 Hz (200*1024/60s).
Приказывая номер модели кодировщика S50
S50-D3F50 DC8V
S50-D3P60 DC8V
S50-Q2N100 DC12V
S50-Q2F200 DC24V
S50-D1N250 DC8-30V
S50-Q1F256 DC5-30V
S50-D3N300 DC5-30V
S50-T3V360 DC12V
S50-T6E1024 DC8-24V
S50-T6C2048 DC5V
S50-D3NH4096 DC24V
S50-T3FH500DC12V
S50-T4C8192 DC24V
S50-D4E10000 DC8-30V
S50-Q3PH16384 DC5-12V
S50-Q6E2000 DC12-24V
S50-D6C23040 DC5V
S50-D3P20000 DC5V
S50-D3PH2500 DC12V