Клапан регулирования потока, гаван регулируемый клапан регулирования потока 3, LKF-60
Клапаны этого регулирования потока LKF-60, один клапан регулирования потока давления особого типа компенсируя.
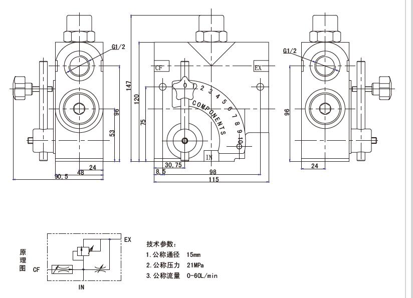
Модель LKF давление полного диапасона компенсируя переменное регулирование потока. Она конструирована так, что зона crifice поменяет по мере того как рычаг вращан. Подача выхода ровна и постоянн независимо от давления на подаче контроля или сверхнормальных портах подачи. Регулируемый клапан сброса весны vall учитывает компенсированное давление как до давления на клапане сброса. Клапаны сброса заранее поставлены на 1500 psi и хранили регулируемое от 750 до 3000 psi.
Параметры
| Модель: | Порт масла | Подача | Давление |
| LKT-40-3/8NPT | 3/8" - NPT | 0-30L/min (0-8GPM) | 210 АДВОКАТУР |
| LKF-60-1/2NPT | 1/2» - NPT | 0-60L/min (0-16GPM) | 210 АДВОКАТУР |
| LKF-114-3/4NPT | 3/4" - NPT | 0-114L/min (0-30GPM) | 210 АДВОКАТУР |
Этот клапан можно использовать для того чтобы изменить скорость гидравлических мотора или цилиндра.
Гаван регулируемое регулирование потока гидравлические 3 можно использовать для того чтобы изменить скорость гидравлических мотора или цилиндра. Раз набор давление остается постоянн независимо от изменений нагрузки (компенсированного давления). Полностью сверхнормальную подачу необходимо возвратить в танк.
Модельный который включают клапан сброса который регулируемый 1000 PSI к 3000 PSI, это позволяет защите для линии связи „CF“ контролируемой гаван. Затыкать сверхнормальный порт подачи позволяет пользе с насосами компенсированными давлением.


