Часть 5129488 трактора OEM трактора насоса с зубчатой передачей A42/L 5179714 трактора Фиат основная гидравлическая самая лучшая цена 5179711 5169770
Гидравлический насос с зубчатой передачей произведенный Hanjiu широко использован в различных видах машинного оборудования, как тракторы, экскаваторы, грузоподъемники и другие проекты так же, как сельскохозяйственная техника, и профессионально конструирован для известных брендов импортированного машинного оборудования, как Форд, Kubota, Lovol и другие.
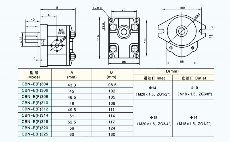
Технические параметры


Основные спецификации:
| F1 | F2 | ||||
| Смещение (ml/r) | Порт входа | Вне гаван | Смещение (ml/r) | Порт входа | Вне гаван |
| 06 | 47.6x22.2 φ23 | 47.6x22.2 φ20 | 06 | 52.4x 26,2 φ23 | 7.6x22.2 φ20 |
| 08 | 08 | ||||
| 10 | 10 | ||||
| 12 | 12 | ||||
| 14 | 14 | ||||
| 16 | 16 | ||||
| 18 | 52.4x26.2 φ26 | 18 | 52.4x26.2 φ26 | ||
| 20 | 20 | ||||
| 23 | 23 | ||||
| 25 | 25 | ||||
| 27 | 27 | ||||
| 30 | 30 | ||||
| 32 | 32 | ||||
| 36 | 36 | ||||
| 40 | 40 | ||||
| S | FS | ||||
| Смещение (ml/r) | Порт входа | Вне гаван | Смещение (ml/r) | Порт входа | Вне гаван |
| 06 | M22x1.5-6H | M18x1.5-6H | 06 | 52.4x26.2 φ26 | M22x 1.5-6H |
| 08 | 08 | ||||
| 10 | 10 | ||||
| 12 | 12 | ||||
| 14 | 14 | ||||
| 16 | 16 | ||||
| 18 | M33x2-6H | M27x2-6H | 18 | M33x 2-6H | |
другой тип применение
| Блоки Hanjiu гидравлические орбитальные управляя и насосы с зубчатой передачей Hydrauic |
| СЛУЧАЙ |
| CLAAS |
| DEUTZ |
| ФИАТ |
| Lamborghini |
| ТАКИЕ ЖЕ |
| Landini |
| Massey Ferguson |
| Новая Голландия |
| Kubota |
| FENDT |
| VALTRA |
| MTZ |

особенности насоса с зубчатой передачей hanjiu:
1. Механизм компенсации осевого зазора автоматический держит высокую объемную эффективность
2. Малошумный и длинный срок службы
3. Применение высокопрочных материалов алюминиевого сплава, облегченная, низкая интенсивность работы установки
4. Типы вала входного сигнала: ключ, прямоугольный сплайн, инволютный сплайн и ясменник
5. Типы соединений для портов входа и выхода: поток или фланец etc.
Применения:
Насосы этой серии также имеют преимущество своих простой структуры, надежного представления, объемной эффективности, сопротивления удара и обслуживания длинной жизни. И они широко использованы в тракторах, строительной технике, тележках санобработки и других гидравлических системах.
CO. технологии Hanjiu, LTD. Предприятие специализируя в продукции мотора циклоиды серии BM гидравлического, шестерни BZZ полностью гидравлической управляя, гидравлического насоса с зубчатой передачей, комбинации FK блок клапана и другие гидравлические компоненты. Продукты широко использованы в проектировать машинное оборудование, минируя машинное оборудование, металлургическое машинное оборудование, машинное оборудование нефти, сельскохозяйственную технику, машинное оборудование инжекционного метода литья, инженерство машинного оборудования рыбозавода военное и другие поля.
Наша компания имеет много наборов импортированного оборудования и предварительная технология производства, имеет множества высококачественный инженерно-технический персонал, и оборудованный со своей собственной командой научных исследований и разработки, с сильной технической силой для обеспечения качества продукции. Мы имеем полный набор системы обеспечения качества продукции от работников, сырья входя в фабрику, частей обрабатывая, испытания оборудования и доставки продукта. С высококачественным, дружелюбная цена и любезное обслуживанием, продукты благоволить к потребителями в стране и за рубежом.