транспортеров следа модулирующей лампы потребности одиночных действующих 3поситионс 1вай глобуса гидравлические
Развиты клапаны серии П40 с высотой с средн конструкцией моноблок давления основали на Европе
технология.
| Температура окружающей среды | -40К… +60К |
| Выкостность | 12… 800 мм2/с |
| Жидкая температура | -15К… +80К |
| Фильтрация | 10 к НАС 1638 |
| Максимальное рабочее давение | бар 315 |
| Обратное давление | бар 50 |
| Номинальная подача | 40 Л/МИН |
| Утечка (а, Б-Т) | 15км3/мин на 120бар |
| Ход катышкы | 6 мм |
| Срабатывая сила | < 200="" N=""> |
| Катышкы изменения | с 1 к 7 |
Функции и особенности
1. Компактный размер, светлая и сподручная структура, небольшой вес, простые деятельность и безопасность & надежность;
2. Номер рабочей группы можно добавить согласно требованию, 7 катышкам самое большее.
3. Завершите конфигурацию первичных и вторичных клапанов переполнения; Давление отверстия быть отрегулированным согласно требованиям клиентов;
4. Сери-параллельная структура соединения и внешняя нагрузка сохраняя клапан обеспечивают что срабатывая механизм с более высокой нагрузкой не упадет в деятельность.
5. Модули с различными функциями на группе клапана могут осуществить коммутацию между одиночными и двойными насосами для того чтобы улучшить эффективность деятельности и сохранить энергопотребление.
Как выбрать клапаны моноблок?
П СС-С-С-С-ССС-ССС… - СС
⑨ ⑧ ⑦ ⑥ ⑤ ⑦ ⑥ ⑤ ④ ③ ② ①
подача ①: 40,80
номер ② разделов: 1-8
наддув клапана сброса ③ установленный: 100-250бар
размер порта входа ④: см. таблицу (1)
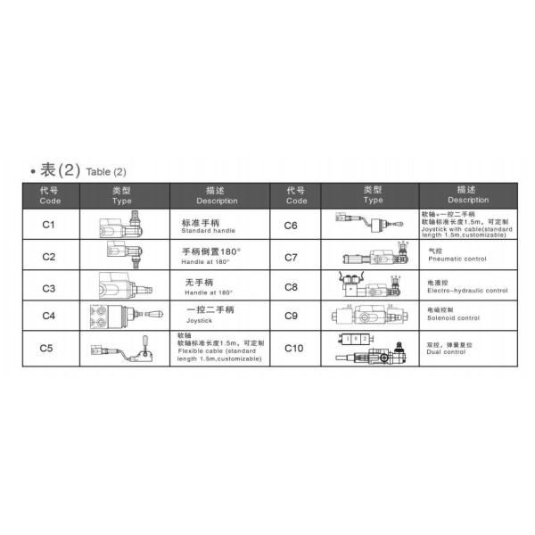
тип управлением ⑤ видит таблицу (2)
тип катышкы ⑥
тип катышкы ⑦ ретуринг
размер порта работы ⑧ видит таблицу (1)
размер порта выхода ⑨ видит таблицу (1)
Таблица ПОРТОВ (1)
| Поток БСП | Метрическая резьба | Поток США стандартный УНФ | Поток НТП США стандартный | ||||
| код | Размер потока | код | Размер потока | код | Размер потока | код | Размер потока |
| Г04 | Г1/4 | М16 | М16С1.5 | У10 | 5/8-12УНФ | Н06 | НПТ3/8 |
| Г06 | Г3/8 | М18 | М18С1.5 | У12 | 3/4-16УНФ | Н08 | НПТ1/2 |
| Г08 | Г1/2 | М20 | М20С1.5 | У14 | 7/8-14УНФ | Н12 | НПТ3/4 |
| Г12 | Г3/4 | М22 | М22С1.5 | У16 | 1-12УНФ | ||
| М27 | М27С2 | ||||||

3 положения, одиночный действовать в а, а открытом



Вручную или механически контролируемый гидравлический клапан управления по направлению Р40 конструирован для распределения и контроля производственного потока между генератором (насосом) и исполнительными механизмами (цилиндром, гидро-мотором, етк.). Он изготовлен с 1 до 7 плунжерами, с параллельным или серийным действием, с общим или индивидуальным задним клапаном для каждого плунжера, с или без предохранительного клапана.
1, внутренний задерживающий клапан: Задерживающий клапан внутри тела клапана обеспечить гидравлическое масло для того чтобы не быть
возвращенный.
2, внутренний клапан сброса: Клапан сброса внутри тела клапана может отрегулировать работу гидравлической системы
давление.
3, путь масла: Параллельная цепь, сила за вариантом
4, путь контроля: Ручной контроль, пневматическое управление контроля, гидравлических и электрических для опционного.
5, конструкция клапана: конструкция моноблок, 1-8 рычагов.
6, функция катышкы: О, И, П, А.
7, вариант: Гидравлический замок имеет в распоряжении быть добавленным на порте а и б.
8, доступное с ручным, пневматическим управлением контроля, электрических и пневматических, гидравлический и электрический
контроль и етк.
Ханджю: профессиональное изготовление гидравлических компонентов в Китае, наши главные продукты гидравлические моторы/блоки управления рулем/модулирующие лампы/насосы с зубчатой передачей моноблок, мы имеет быстрое развитие в таком коротком периоде времени должном к изделиям высокого качества, конкурентоспособной цене, стабилизированной доставке и наиболее хорошо обслуживаний после продажи.
