ADTS100A1 Три оси Три световых капсулы
Фотоэлектрический модуль adts100a1 включает в себя лазерный полупроводниковый дальномер с максимальным диапазоном измерений 1,2 км и точностью менее 2 метров, инфракрасную камеру высокого разрешения 640×512,10x оптическая камера с переменным видимым светом и рама платформы с высокой стабильной точностью, который может работать в течение дня и ночи, и может отлично завершить инспекцию, безопасность и поиск и спасение и другие промышленные приложения.Изображение может быть собрано на расстоянии, чтобы найти точку интереса. 1080p Full HD видео может выводить видимые и инфракрасные видео в режиме реального времени.
| Модель | Adts100a1 |
| Тепловой инфракрасный фотограф | |
| Разрешение детектора | 640×512 |
| Фокальная длина объектива | 25 мм |
| ПОВ | 17.5°×14°(±5%) |
| Псевдоцвет | 6 |
| Цифровой зум | ×2, ×4, ×8 |
| Изображение | Фотоформат.jpg |
| Хранение видео | Сжатый формат видео.avi |
| Камера с видимым светом | |
| Резолюция | 1920×1080 |
| Фокальная длина объектива | 5.1мм 51мм |
| Горизонтальное поле | 68° ≈ 6,7° |
| Оптический зум | 10 раз. |
| Функция проникновения тумана | Да, да. |
| Изображение | Фотоформат.jpg |
| Хранение видео | Сжатый формат видео.avi |
| Лазерный дальнобойщик | |
| Длина волны | 905nm |
| Максимальный диапазон | ≥1,2 км |
| Разнообразная точность | ≤ 2 м |
| Сервоплатформа | |
| Угол азимута | 360°×n |
| Угол наклона | -115°+105° |
| Угол проката | -60°+60° |
| Параметр системы | |
| Время подготовки к запуску | ≤ 30 с |
| Силовое питание | +20v+36vdc/+12vdc |
| Сила | Стабильное потребление энергии: ≤ 25 Вт |
| Вес | ≤850 г (с быстрым высвобождением ленты) ≤700 г (без быстрым высвобождением ленты) |
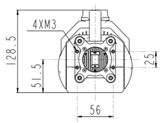
| Размер | 130 мм × 120 мм × 180 мм |
| Точность позиции | ≤ 30 м ((300 м) |
| Интерфейс | |
| Интерфейс управления | RS422/RS232/TTL |
| Интерфейс видео | 422 Интерфейс синхронизации уровня/сетевой порт (необязательно) |
| Интерфейс памяти | Мини-SD-карта / 32g |
| Пригодный для окружающей среды | |
| Операционная температура | -20°C+60°C ((-40°C Необязательно) |
| Температура хранения | -40°C+60°C |
| Дождезащищенный | Может летать в легкий и умеренный дождь |

Рисунок 1 Механические размеры изделия

Рисунок 2 Диаграмма интерфейса установки продукта