Эн-Би-Си
220 вольт реле NB90E-AC220S-S-A AC 30 Amp для фотовольтайческий поручать накопления энергии
Описание:
Реле NB90xx держателя PCB AC, напряжение тока 24V катушки поддержки, 110V, 220V, 240V, 277V, течение максимальной нагрузки 40A.If с суффиксом e, тогда это 30A для переключать настоящий. Строго исполните к стандарту UL, в соответствии с RoHs-директивным также, соответствующими для перегрузки и открытого предохранения от участка мотора AC 50Hz трехфазного, печатания, упаковки, пластмасс, еды и производственной линии etc металлургии.
Особенность:
1. класс f для ранга изоляции катушки
2. SPDT & SPST
3. Расклассифицированное настоящее максимальное 40A
4. Форма PIN: A4 (номер с 4pin), A5 (номер с 5pin), B4 (номер с 4pin), B5 (номер с 5pin), C5 (NO.&NC с 5pin), C6 (NO.&NC с 6pin)
Дисплей Porduct:



1. Использующ под чистой окружающей средой (исключая H2S, SO2, NO2, загрязняющих елементов пыли), пылезащитный тип порекомендованное использование под загрязненной окружающей средой (содержа H2S, SO2, NO2, загрязняющие елементы пыли), загерметизированный тип порекомендован, и пожалуйста свяжется мы во время практического применения;
2. Когда собранию на PCB, ем нужно совершенно быть помытым, пожалуйста сообщите нас перед приказывать, для того чтобы обеспечить свойственные типы;
3. Если диэлектрическая прочность между катушкой & контактами должна находиться над 2500VAC, то пожалуйста сообщите нас перед приказывать, для того чтобы обеспечить свойственные типы.
4. Избегите использовать его под сильными условиями магнитных или удара крайностей, или техническая оценка будет изменена.
Спецификация:
| Допустимая мощность на контактах | ||||
| Форма контакта | 1A, 1B, 1C | |||
| Материал контакта | AgCdO AgSnO2 | |||
| Емкость нагрузки контакта | NB90 | NB90E | ||
| 40A 240VAC/30VDC 40A 277VAC 1.5HP 1HP 240VAC TV-5 TV-15 | 30A/20A 240VAC/30VDC 30A 277VAC 1HP 1/2HP 240VAC TV-5 | |||
| Переключая сила максимальная. | 1200W 11000VA | |||
| Переключая напряжение тока максимальное. | 30VDC/277VAC | |||
| Переключая настоящее максимальное. | 40A | |||
| Контактное сопротивление максимальное. | 50mΩ (1A, 24VDC) | |||
| Продолжительность жизни | Электрический | 40A: 2x104 30A: 2x104 | ||
| Machanical | 10 7 | |||
| Сертификация безопасности | ||
| Утверждение | CQC | UL |
| Нагрузка | 40A 240VAC 30VDC | 40A 277VAC 1.5HP 240VAC, TV-5 |
| Оценка катушки | ||||
| Напряжение тока катушки | Сверните спиралью сопротивление Ω±10% | Скомплектуйте вверх (VDC) максимальное (75% из напряжения тока Rated) | Отпадите (VDC) MIN. (10% из напряжения тока Rated) | |
| Расклассифицированный | Максимальный. | |||
| 24 | 31,2 | 120 | 18 | 7 |
| 110 | 143 | 2360 | 83 | 33 |
| 120 | 156 | 3040 | 90 | 36 |
| 220 | 286 | 13490 | 165 | 66 |
| 240 | 312 | 13490 | 180 | 72 |
| 277 | 360 | 15000 | 208 | 83 |
| Техническая оценка | |||
| Сопротивление изоляции | Min.1000MΩ (500VDC) | IEC 60255-5 | |
| Диэлектрическая прочность | Между контактами | 1500VAC, 50/60Hz 1min; Макс 4000 ВПТ | IEC 60255-5 |
| Между Coil&Contact | Минута 2500VAC 50/60Hz; (Минута 4000VAC без Pin #6, когда необходимо) | IEC 60255-5 | |
| Приведитесь в действие время | ≤15ms | ||
| Время отпуска | ≤10ms | ||
| Сопротивление удара | Пределы 100G повреждения крайностей 10G деятельности | Тест Ea IEC 68-2-27 | |
| Сопротивляемость при колебательном движении | 10Hz~55Hz удвоенная амплитуда 1.5mm | Тест Fc IEC 68-2-6 | |
| Температура окружающей среды | ﹣ 55℃~85℃; ﹣ 55℃~105℃ | ||
| Относительная влажность | RH 85%, 40℃ | Тест Ca IEC 68-2-3 | |
| Вес | Approx.26.0g | ||
| Пакет | Загерметизированный; Пылезащитный тип | ||
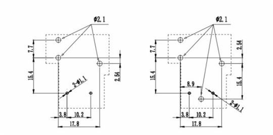
3 размер и цепь из реле тока ac

Размеры плана

План нижнего взгляда

Монтажная схема (нижний взгляд)

Данные по инженерства
вопросы и ответы:
Q: Можете вы предложить схему данных для его?
: Да, мы можем, как раз контакт с нами для детали.
Q: Можете вы обеспечить подобное реле от другого бренда?
: Да, мы можем обеспечить его.