Шарикоподшипник автоматической индустрии открытый соединил твердость подшипника тяги 58-63ХРК
Скф шарикоподшипника тяги, описание,
1. Шарикоподшипники тяги включая,
51000 серий
52000 серий
53000 серий
54000 серий
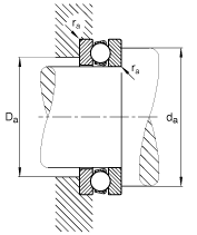
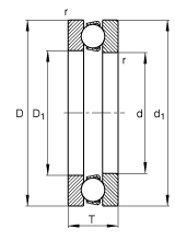
2. Одиночные шарикоподшипники тяги направления: включение 2 шайб с расевайс и шариками направило клетка. Вашверс имеет плоские поверхности стула, и именно поэтому их необходимо поддержать так, что все шарики можно равномерно нагрузить. Подшипники носят аксиальную нагрузку только в одном драйктион, они не могут снести радиальные силы.
Если вам, то это печатает для того чтобы толкнуть шарикоподшипники, радушные свяжется мы для цен. Конечно, кроме этого виды толкнули шарикоподшипники, мы также поддерживают другие виды ролика или шарикоподшипников.
Серия дюйма шарикоподшипника тяги, спецификация,
| Параметр 51305 | ||||||||||||||
| д | Д | Т | Д1 | Да максимальный | д1 | минута да | Ра максимальный | рмин | м | Ка | Коа | М | нГ | Куа |
| 60 | 110 | 35 | 62 | 80 | 110 | 90 | 1 | 1,1 | 1,36 | 100000 | 208000 | 0,28 | 2200 | 9000 |
![]() ![]() ![]() |
||||||||||||||
| Материал | Kроме Стел, нержавеющее, сталь углерода |
| Точность | П0=АБЭК-1, П2=АБЭК-9, П4=АБЭК, П5=АБЭК-5, П6=АБЭК-3 |
| Стандартный | ДИН, ГБ, ИСО, ДЖИС, БА, АНСИ |
| Ранг | СУС201, СУС304, СУС316, А2-70, А2-80, 4,8 6,8 8,8 10,9 12,9 |
| Уровень шума | ЭМКВ1 З2, ЭМК В2З3, ЭМКВ3З4, ЭМКЗ4В4 |
Нержавеющий подшипник тяги, больше модели подшипника для ссылки,
| Носить номер | д | Д | В |
| 51304 | 20 | 47 | 18 |
| 51305 | 25 | 52 | 18 |
| 51306 | 30 | 60 | 21 |
| 51307 | 35 | 68 | 24 |
| 51308 | 40 | 78 | 26 |
| 51309 | 45 | 85 | 28 |
| 51310 | 50 | 85 | 31 |
| 51311 | 55 | 105 | 35 |
| 51312 | 60 | 110 | 35 |
| 51313 | 65 | 115 | 36 |
| 51314 | 70 | 125 | 40 |
| 51315 | 75 | 135 | 44 |
| 51316 | 80 | 140 | 44 |
| 51317 | 85 | 150 | 49 |
| 51318 | 90 | 155 | 50 |
| 51320 | 100 | 170 | 55 |
| 51322 | 110 | 190 | 63 |
| 51324 | 120 | 210 | 70 |
| 51326 | 130 | 225 | 75 |
| 51328 | 140 | 240 | 80 |
| 51330 | 150 | 250 | 80 |
Шоу изображений продукта,

51312 51313 51314 51315 51316 толкнули шарикоподшипники, открытый шарикоподшипник, одиночный шарикоподшипник тяги направления
1. Стандартная упаковка индустрии.
2. Определите паллет водоустойчивой твердости наружный картон+ цвета бокс+ ПП баг+ одиночной
3. Или согласовывающ требование от клиента.

Шарикоподшипник автоматической индустрии открытый соединил твердость подшипника тяги 58-63ХРК
1. Там поддерживают ДХЛ, УПС, ТНТ, Федерал Экспресс, воздух ЭМС. .бы или море дверью к двери принимая о 3-5дайс, для того чтобы ясная таможня.
2. Или согласно клиенту для того чтобы аранжировать пересылку.
3. Для оплаты, мы поддерживаем РМБ, папское, западное соединение, Т/Т или оплату онлайн.
Если вам, то приветствуйте свяжитесь мы для списка цен на товары.