Шарикоподшипник 51308 высокоскоростного шарикоподшипника осевой тяги открытый 51309 51310
Радиальный подшипник тяги, описание,
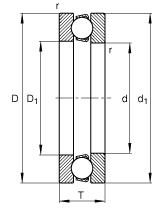
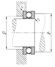
1. Шарикоподшипник тяги нержавеющей стали состоит из 3 частей, вала, расквартировывая шайбу, имеет кольцевые проточки в тджем и проарретированном собрании шарикоподшипника которое прослоено между ими. Собрание и моунинг простая деятельность по мере того как части сепартате. Они поддерживают аксиальные нагрузки в одном направлении. Обеспечены, что в скважине одного из расевайс учитывает зазор выравнивание.
2. Шарикоподшипники тяги включая,
51000 серий
52000 серий
53000 серий
54000 серий
Если вам, то это печатает для того чтобы толкнуть шарикоподшипники, радушные свяжется мы для цен. Конечно, кроме этого виды толкнули шарикоподшипники, мы также поддерживают другие виды ролика или шарикоподшипников.
Подшипник тяги СКФ, Спефисиатион,
| Параметр 51305 | ||||||||||||||
| д | Д | Т | Д1 | Да максимальный | д1 | минута да | Ра максимальный | рмин | м | Ка | Коа | М | нГ | Куа | 
| 25 | 52 | 18 | 27 | 36 | 52 | 41 | 1 | 1 | 0,154 | 34500 | 55000 | 0,019 | 4300 | 2450 | 
|    | ||||||||||||||
Шарикоподшипник тяги НТН, больше модели,
| Носить номер | д | Д | Т | 
| 51304 | 20 | 47 | 18 | 
| 51305 | 25 | 52 | 18 | 
| 51306 | 30 | 60 | 21 | 
| 51307 | 35 | 68 | 24 | 
| 51308 | 40 | 78 | 26 | 
| 51309 | 45 | 85 | 28 | 
| 51310 | 50 | 85 | 31 | 
| 51311 | 55 | 105 | 35 | 
| 51312 | 60 | 110 | 35 | 
| 51313 | 65 | 115 | 36 | 
| 51314 | 70 | 125 | 40 | 
| 51315 | 75 | 135 | 44 | 
| 51316 | 80 | 140 | 44 | 
| 51317 | 85 | 150 | 49 | 
| 51318 | 90 | 155 | 50 | 
| 51320 | 100 | 170 | 55 | 
| 51322 | 110 | 190 | 63 | 
| 51324 | 120 | 210 | 70 | 
| 51326 | 130 | 225 | 75 | 
| 51328 | 140 | 240 | 80 | 
| 51330 | 150 | 250 | 80 | 
Шоу изображения продукта,

51304 51305 51306 51307 51205 высокоскоростных шарикоподшипника осевой тяги, открытый шарикоподшипник, 51308 51309 51310
1. Стандартная упаковка индустрии.
2. Определите паллет водоустойчивой твердости наружный картон+ цвета бокс+ ПП баг+ одиночной
3. Или согласовывающ требование от клиента.

Если вам, то приветствуйте свяжитесь мы для списка цен на товары.