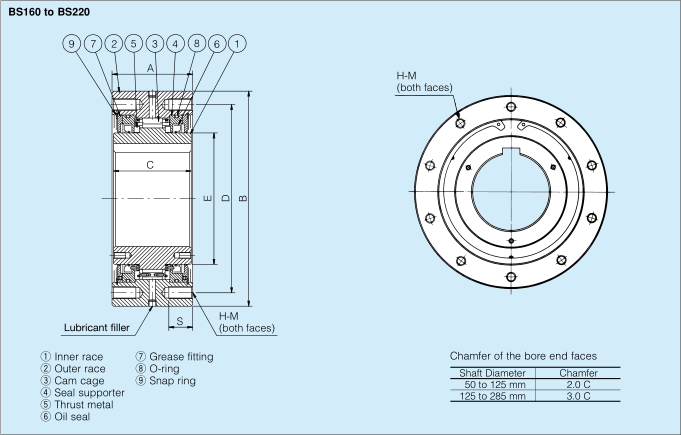
Серия BS муфты кулачка одна муфта Backstop пути для транспортера прибора
Введение продукции
Муфты кулачка серии BS запланированы для применений где обратное вращение низкооборотного вала головы транспортера к предотвращенный (backstopping).
Carbonitriding и на внутренних и наружных кольцах основной способ закалки для подшипников TPI BS. Через эту особенную термическую обработку, увеличена твердость на поверхности raceway; что уменьшает носку соответственно.
Свертывая элемент
Шарики стали высокой точности обеспечивают что подшипники BS поставщиков шарикоподшипников TPI и подшипник HBS имеет самые лучшие точность и стабильность. Это также отражает в представлении подшипников BS под высокоскоростным вращением
Клетка
С сильно проектированным расположением клеток, были достиганы замечательные характеристики.
Клетка T2, desinged для малошумного уровня, однако, повышение температуры в высоком числе оборотов относительно высока.
Модель |
Вращающий момент Емкость (Nm) |
Максимальный. Переливаться через край (r/min) Внутренняя гонка |
Сопротивление Вращающий момент (Nm) |
B |
C |
PCD D |
E |
S |
HM Тангаж Size× × No.of выстучало отверстия |
(kg) |
|
| BS30 | 294 | 350 | 0,58 | 64 | 90 | 64 | 80 | 45 | 13 | M 6 ×P1.0×4 | 2,1 |
| BS50 | 784 | 300 | 0,98 | 67 | 125 | 67 | 110 | 70 | 16 | M 8 ×P1.25×4 | 4,0 |
| BS65 | 1570 | 340 | 3,92 | 90 | 160 | 85 | 140 | 90 | 20 | M10 ×P1.5×6 | 11,5 |
| BS75 | 2450 | 300 | 5,88 | 90 | 170 | 85 | 150 | 100 | 20 | M10 ×P1.5×6 | 13,1 |
| BS85 | 5880 | 300 | 7,84 | 115 | 210 | 110 | 185 | 115 | 30 | M12 ×P1.75×6 | 24,7 |
| BS95 | 7840 | 250 | 9,8 | 115 | 230 | 110 | 200 | 130 | 30 | M14 ×P2.0× 6 | 29,4 |
| BS110 | 10800 | 250 | 14,7 | 115 | 270 | 110 | 220 | 150 | 30 | M16 ×P2.0× 6 | 34,2 |
| BS135 | 15700 | 200 | 19,6 | 135 | 320 | 130 | 280 | 180 | 30 | M16 ×P2.0× 8 | 68 |
| Тип |
Емкость вращающего момента (Nm) |
Максимальн Overrunning (r/min) Внутренняя гонка |
Сопротивление Вращающий момент (Nm) |
B | C |
PCD D |
E | S |
HM T.H.S.XP-Q'ty |
G.F.H. (Размер) |
Q.G. (kg) |
|
| BS 160 | 24 500 | 100 | 34,3 | 135 | 360 | 130 | 315 | 220 | 40 | M20xP2.5-10 | PT 1/4 | 0,12 |
| BS 200 | 37 200 | 100 | 44,1 | 150 | 430 | 145 | 380 | 265 | 40 | M22xP2.5- 8 | PT 1/4 | 0,14 |
| BS 220 | 49 000 | 80 | 73,5 | 235 | 500 | 230 | 420 | 290 | 40 | M20xP2.5-16 | PT 1/4 | 0,8 |
| BS 250 | 88 200 | 50 | 93,1 | 295 | 600 | 290 | 530 | 330 | 50 | M24xP3.0-16 | PT 1/4 | 1,1 |
| BS 270 | 123 000 | 50 | 98 | 295 | 650 | 290 | 575 | 370 | 50 | M24xP3.0-16 | PT 1/4 | 1,2 |
| BS300 | 176 000 | 50 | 108 | 295 | 780 | 290 | 690 | 470 | 60 | M30xP3.5-16 | PT 1/4 | 1,3 |
| BS335 | 265 000 | 50 | 137 | 305 | 850 | 320 | 750 | 495 | 70 | M36xP4.0-16 | PT 1/4 | 1,4 |
| BS350 | 314 000 | 50 | 157 | 320 | 930 | 360 | 815 | 535 | 70 | M36xP4.0-16 | PT 1/4 | 1,5 |
| BS425 | 510 000 | 50 | 216 | 440 | 1 030 | 450 | 940 | 635 | 70 | M36xP4.0-18 | — | Масло 6,000ml |
| BS450 | 686 000 | 50 | 245 | 450 | 1 090 | 480 | 990 | 645 | 80 | M42xP4.5-18 | — | Масло 7,000ml |
