Тип ролика GC-B Freewheel одна муфта направления
Введение продукции
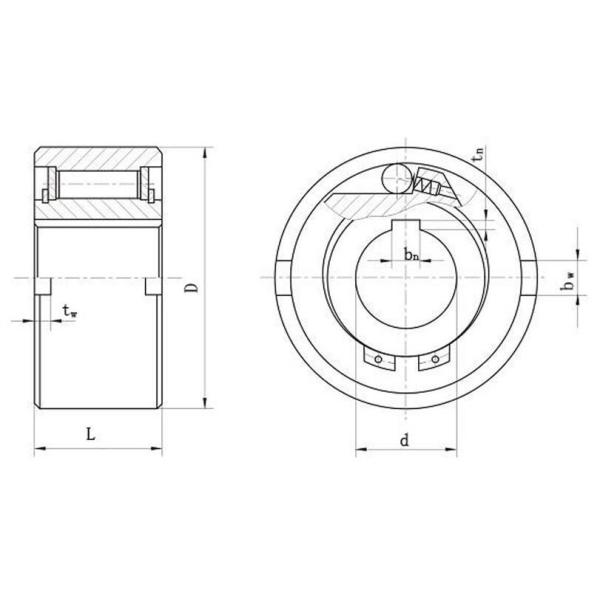
Тип GC-B тип ролика freewheel поддержанный не-подшипник. Необходимы, что поддерживают подшипники осевое и радиальные нагрузки. Смазка и запечатывание должны также быть предусмотрены установкой. Номинальный наружный диаметр это же как шарикоподшипник серии 63….
Типичное расположение установить этот тип наряду с подшипником в пределах таких же допусков положения, как показано на следующую страницу. Пользуются ключом внутренняя гонка к валу.
Наружная гонка имеет положительный допуск n6, для того чтобы дать пригонку прессы в снабжении жилищем H7. Дополнительные бортовые зазубрины в наружной гонке обеспечить для положительной передачи вращающего момента.
Если снабжение жилищем к допуску K6, то польза зазубрин не необходима, но снабжение жилищем должно быть сильно достаточно не расширить после собрания. Этот дизайн может признавать осевое рассогласование гонки внутренних и uter ± S/2.
CO. оборудования для передачи Changzhou TIANNIU, Ltd (фабрика муфты Changzhou TIANNIU) профессиональный один поставщик подшипника муфты пути, основные продукты микро- электромагнитный зажим, соединение ограничителя вращающего момента, сползая соединение вала, соединение гибкого карданного вала, запирая собрание и соединения вала, etc.
Мы в индустрии подшипника пути подшипника муфты подшашки и муфты одного для больше чем 10years, упорствуя в принципе дела продуктов портняжничанных к требованиям от клиентов. Мы обслуживаем через слушать наши клиенты, приложение нововведения и построение с мастерством для того чтобы отвечать все их потребностямы.
Параметры продуктов
| Тип | Вращающий момент (N.m) | Переливающся через край скорость (rpm) | Размер (mm) | Вес (Kg) | |||||
| Внутренняя гонка | Наружная гонка | d (H7) | D (H7) | L | bw×tw | bn×tn | |||
| GC-B835 | 8,3 | 1650 | 2500 | 8 | 35 | 13 | 4×1.4 | 2×1.0 | 0,07 |
| GC-B1235 | 8,3 | 1650 | 2500 | 12 | 35 | 13 | 4×1.4 | 4×1.8 | 0,06 |
| GC-B1542 | 22 | 1200 | 1800 | 15 | 42 | 18 | 5×1.8 | 5×2.3 | 0,11 |
| GC-B1747 | 35 | 1150 | 1700 | 17 | 47 | 19 | 5×2.3 | 5×2..3 | 0,15 |
| GC-B2052 | 56 | 1050 | 1550 | 20 | 52 | 21 | 6×2.3 | 6×2.8 | 0,19 |
| GC-B2562 | 90 | 850 | 1300 | 25 | 62 | 24 | 8×2.8 | 8×3.3 | 0,38 |
| GC-B3072 | 184 | 700 | 1100 | 30 | 72 | 27 | 10×2.5 | 10×33 | 0,54 |
| GC-B3580 | 270 | 600 | 950 | 35 | 80 | 31 | 12×3.5 | 12×33 | 0,74 |
| GC-B4090 | 387 | 550 | 850 | 40 | 90 | 33 | 12×4.1 | 14×3.8 | 0,92 |
| GC-B45100 | 558 | 500 | 800 | 45 | 100 | 36 | 14×4.6 | 14×3.8 | 1,31 |
| GC-B50110 | 720 | 425 | 675 | 50 | 110 | 40 | 14×5.6 | 18×4.4 | 1,74 |
| GC-B60130 | 1315 | 375 | 525 | 60 | 130 | 46 | 18×5.6 | 20×4..9 | 2,77 |
| GC-B70150 | 1656 | 300 | 475 | 70 | 150 | 51 | 20×6.9 | 20×4..9 | 4,16 |
| GC-B80170 | 2096 | 275 | 425 | 80 | 170 | 58 | 20×7.5 | 22×5.4 | 6,09 |
| GC-B90190 | 3468 | 250 | 375 | 90 | 190 | 64 | 20×8.0 | 25×5.4 | 8,2 |
| GC-B100215 | 4640 | 225 | 340 | 100 | 215 | 73 | 24×8.5 | 28×6.4 | 12,6 |
| GC-B120260 | 8640 | 185 | 275 | 120 | 260 | 86 | 28×10 | 32×7.4 | 22 |
| GC-B150320 | 17040 | 150 | 230 | 150 | 320 | 108 | 32×12 | 36×8.4 | 42 |
| GC-B1237 | 8,5 | 1600 | 2500 | 12 | 37 | 20 | 6×3.3 | 4×1.8 | 0,07 |
| GC-B2060 | 90 | 850 | 1300 | 20 | 60 | 20 | 6×13 | 6×3 | 0,08 |
| GC-B2062 | 100 | 850 | 1300 | 20 | 62 | 36 | 8×15 | 6×19 | 0,59 |
| GC-B4393 | 400 | 550 | 850 | 43 | 93 | 36 | 14×4.5 | 10×3 | 1 |
| GC-B60170 | 2500 | 275 | 425 | 60 | 170 | 90 | 20×7.5 | 18×4.3 | 6,5 |
| GC-B65170 | 2500 | 275 | 425 | 65 | 170 | 90 | 20×7.5 | 18×4.3 | 6,3 |
