FXN51-25/85 внутреннее Freewheels переливающся через край подшипник муфты
Введение продукции
Особенность
Внутренний Freewheels FXN подшашка freewheels без поддержки подшипника и со стартом x. подшашки. Старт x подшашки обеспечивает свободную от носк свободно- катя деятельность когда внутреннее кольцо вращает на высокой скорости. Наружное кольцо отжато в ing клиента hous. Это делает компактным, решения космос-сбережений приспосабливая возможные. Freewheels FXN используйте как:
Backstops
Переливаться через край муфты
для применений с высокоскоростной вольной деятельностью и при использовании как переливаясь через край муфта с низкоскоростной управляя деятельностью. Номинальные вращающие моменты до 20 500 Nm. Вращающий момент передан на наружное кольцо пригонкой прессы. Скважины до 130 mm. Много стандартных скважин доступны.
Максимальный передающийся вращающий момент 2 раза определенный номинальный вращающий момент. См. страницу 14 для определения вращающего момента выбора.
Теоретический номинальный вращающий момент применяется только для идеальной концентричности между внутренним и наружным кольцом. На практике, концентричность повлияна на нося игрой и неточности центрирования ржут bouring части. После этого номинальные вращающие моменты определенные в таблице применяются, пока учитывая существующие бегут вне (T.I.R.).
Более высокие скорости по требованию.
Внутренний Freewheel NX FXN 38 до 17/70 как backstop, аранжированный, что в расквартировывая переходнике прикрепиться в электрический двигатель. Тонкое наружное кольцо которое отжато в снабжение жилищем включает космос-эффективное подходящее решение. Должный к высоким скоростям вала в нормальном функционировании (вольном peration o), старт x подшашки обеспечивает безконтактную и следовательно свободную от носк работу в непрерывном режиме.
Параметры продуктов
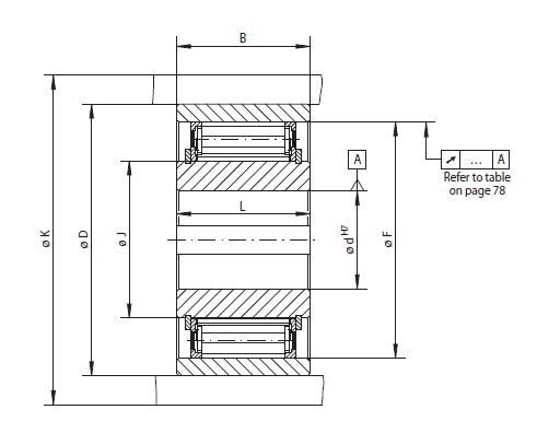
| Freewheel размер | mm | mm | Скважина d | mm | mm | максимальный mm | B | D mm | F | J | K MIN. mm | L |
Вес kg |
|
| Стандарт | mm | mm | mm | mm | ||||||||||
| mm mm | ||||||||||||||
| FXN31 - 17/60 | 20* | 20* | 25 | 60 P6 | 55 | 31 | 85 | 24 | 0,3 | |||||
| FXN31 - 17/62 | 20* | 20* | 25 | 62 P6 | 55 | 31 | 85 | 24 | 0,4 | |||||
| FXN38 - 17/70 | 25* | 25* | 25 | 70 P6 | 62 | 38 | 90 | 24 | 0,4 | |||||
| FXN46 - 25/80 | 25 | 30 | 35 | 80 P6 | 70 | 46 | 95 | 35 | 0,8 | |||||
| FXN51 - 25/85 | 25 | 30 | 35 | 36 | 35 | 85 P6 | 75 | 51 | 105 | 35 | 0,8 | |||
| FXN56 - 25/90 | 35 | 40 | 35 | 90 P6 | 80 | 56 | 110 | 35 | 0,9 | |||||
| FXN61 - 19/95 | 30 | 35 | 40 | 45* | 26 | 95 P6 | 85 | 61 | 120 | 25 | 0,8 | |||
| FXN61 - 19/106 | 30 | 35 | 40 | 45* | 25 | 106 H7 | 85 | 61 | 120 | 25 | 1,2 | |||
| FXN66 - 25/100 | 35 | 40 | 45 | 48* | 30 | 100 P6 | 90 | 66 | 132 | 35 | 1,1 | |||
| FXN66 - 25/110 | 35 | 40 | 45 | 48* | 40 | 110 P6 | 90 | 66 | 132 | 35 | 1,8 | |||
| FXN76 - 25/115 | 45 | 55 | 60* | 40 | 115 P6 | 100 | 76 | 140 | 35 | 1,7 | ||||
| FXN76 - 25/120 | 45 | 55 | 60* | 32 | 120 J6 | 100 | 76 | 140 | 35 | 1,8 | ||||
| FXN86 - 25/125 | 40 | 45 | 50 | 60 | 65 | 70* | 40 | 125 P6 | 110 | 86 | 150 | 40 | 2,3 | |
| FXN86 - 25/130 | 40 | 45 | 50 | 60 | 65 | 70* | 40 | 130 P6 | 110 | 86 | 150 | 40 | 2,6 | |
| FXN 101 до 25/140 | 55 | 70 | 75 | 45 | 140 P6 | 125 | 101 | 175 | 50 | 3,1 | ||||
| FXN 101 до 25/149 | 70 | 75 | 62 | 149 H6 | 125 | 101 | 175 | 62 | 4,2 | |||||
| FXN 101 до 25/150 | 55 | 70 | 75 | 45 | 150 P6 | 125 | 101 | 175 | 50 | 3,6 | ||||
| FXN 85 до 40/140 | 45 | 50 | 60 | 65 | 65 | 45 | 140 P6 | 125 | 85 | 175 | 60 | 3,2 | ||
| FXN 85 до 40/150 | 45 | 50 | 60 | 65 | 65 | 45 | 150 P6 | 125 | 85 | 175 | 60 | 4,2 | ||
| FXN 100 до 40/160 | 45 | 50 | 55 | 60 | 70 | 75 | 75 | 50 | 160 P6 | 140 | 100 | 190 | 60 | 5,1 |
| FXN 105 до 50/165 | 80 | 80 | 62 | 165 P6 | 145 | 105 | 195 | 62 | 5,8 | |||||
| FXN 120 до 50/198 | 60 | 65 | 70 | 75 | 80 | 95 | 95 | 70 | 198 H6 | 160 | 120 | 210 | 70 | 8,6 |
| FXN 140 до 50/215 | 65 | 90 | 100 | 110 | 110 | 69 | 215 J6 | 180 | 140 | 245 | 70 | 14,0 | ||
| FXN 170 до 63/258 | 70 | 85 | 100 | 120 | 130 | 80 | 258 H6 | 210 | 170 | 290 | 80 | 21,0 | ||
